Handleiding
Je bekijkt pagina 27 van 40

FR
- 27 -
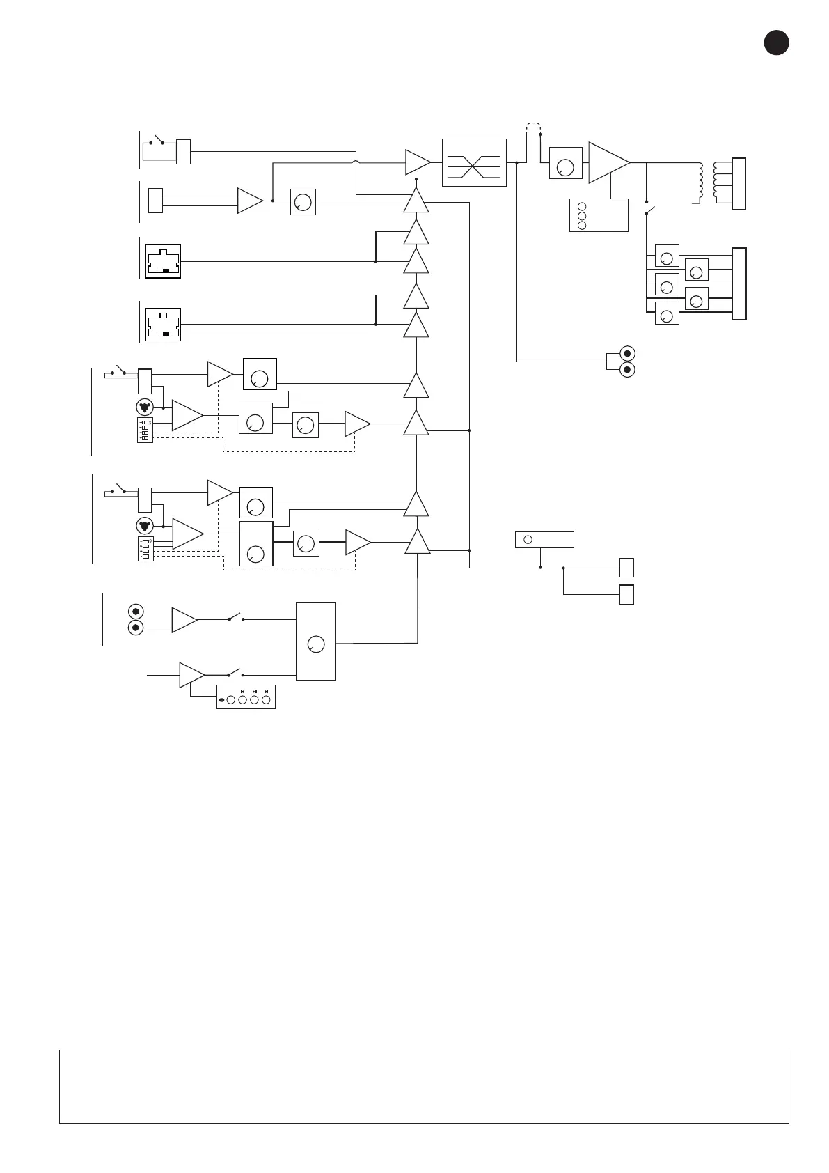
DIAGRAMME FONCTIONNEL
BASS/TREBLE
PRIORITY 1
PRIORITY 4
PRIORITY 5
CH 1
AMP
100 V
70 V
4 Ω
COM
L
R
CH 2
CH 3
CH 4
CH 5
PLAYER
VOX 3 - LEVEL
AUX 1-2-3
PLAYER
ATT. PRIORITY
3 WIRE (100 V)
ATT. PRIORITY
24 V
MIC/LINE
PHANTOM 48 V
CHIME
VOX 3
VOL CH2
VOL CH3
VOL CH4
VOL CH5
VOL CH1
MIC/LINE
PHANTOM 48 V
CHIME
VOX 2
CHIME
AUDIO SIGNAL
AUDIO SIGNAL
EMERGENCY IN
VOX 1 - LEVEL
100 V LINE
LINE
REMOTE MUTE
ZONE MIC
PROT
CLIP
SIGNAL
PRIORITY
REC OUT
PRE OUT AMP IN
AUX 1
AUX 2
AUX 3
VOL
AUX|PLAYER
CHIME
AUDIO SIGNAL
AUDIO SIGNAL
+
VOX 2 - LEVEL
+
+
VOL
+
OFF
VOL CHIME
CH2-5
VOL Z1
ZONE 1
ZONE 2
ZONE 3
ZONE 4
ZONE 5
VOL Z2
VOL Z3
ALL ZONES: 360 W RMS
EACH ZONE: 240 W RMS
240 W RMS
VOL Z4
VOL Z5
100 V
REM. WALL
PANEL
VOL CHIME
CH 1
PRIORITY 3
+
PRIORITY 2
RJ45
RJ45
DÉCLARATION UE DE CONFORMITÉ SIMPLIFIÉE
FONESTAR SISTEMAS S.A. déclare par la présente que l’amplificateur public address BLUETOOTH/USB/FM et zones MAX-480Z
est conforme à la Directive 2014/53/UE.
Le texte intégral de la déclaration de conformité de l’UE peut être consulté sur le site web suivant :fonestar.com/
MAX-480Z
Bekijk gratis de handleiding van FoneStar MAX-480Z, stel vragen en lees de antwoorden op veelvoorkomende problemen, of gebruik onze assistent om sneller informatie in de handleiding te vinden of uitleg te krijgen over specifieke functies.
Productinformatie
| Merk | FoneStar |
| Model | MAX-480Z |
| Categorie | Speaker |
| Taal | Nederlands |
| Grootte | 6915 MB |



