Fisher Paykel RD2484WR handleiding
Handleiding
Je bekijkt pagina 25 van 144

25
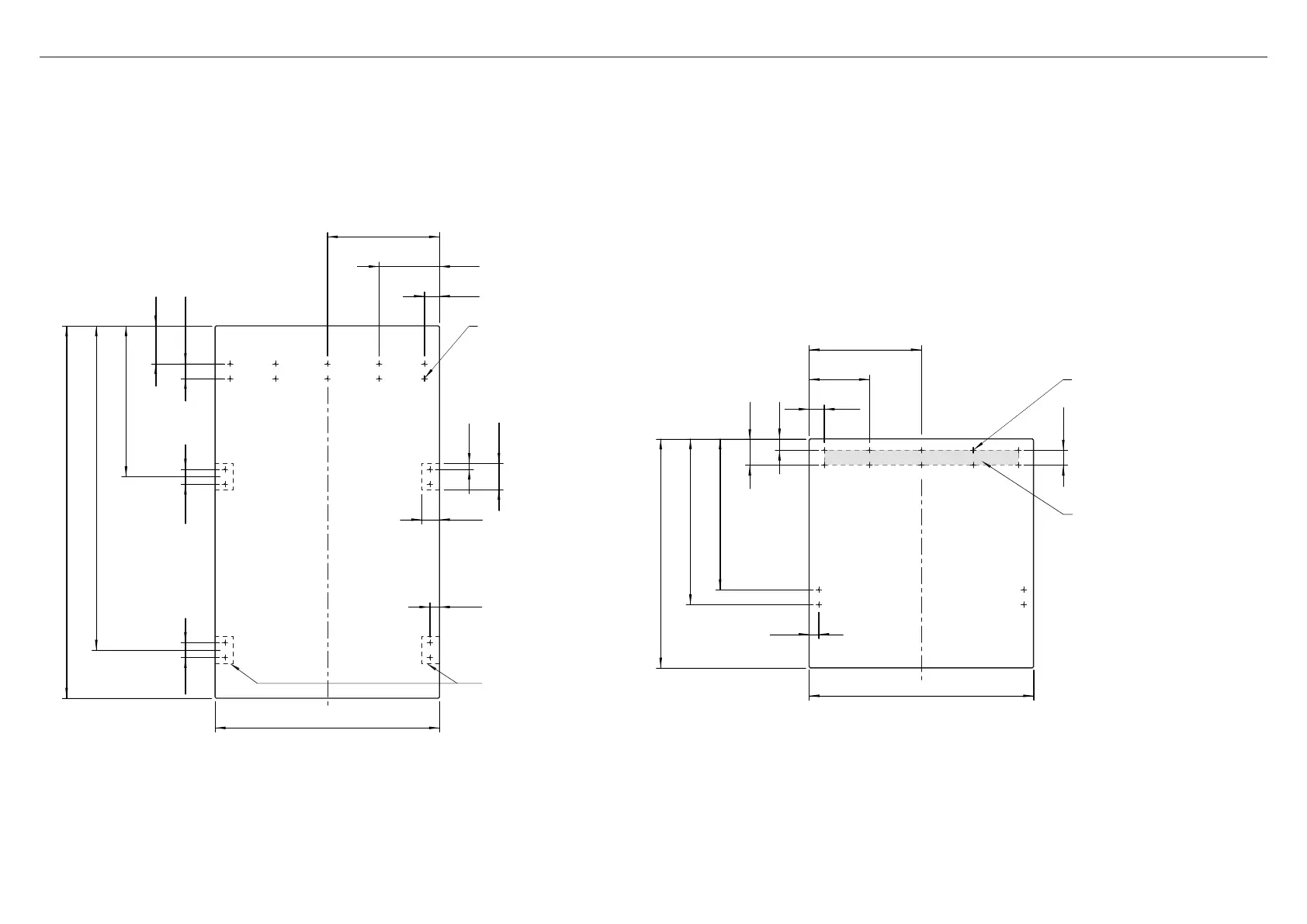
Dimensions apply for the preparation and installation of Custom door panels. For Dwg and Dxf files of the below panel preparation download the folder on thekitchentools.fisherpaykel.com.
z
The thickness of the custom door panel can vary provided that the screws do not penetrate beyond the full depth of the door panel.
z
Measurements of screw hole locations can vary depending on the height of toe kick 50–152mm.
CUSTOM DOOR PANEL INSTALL DIMENSIONS — RS30 MODEL
BOTTOM PANEL—REAR VIEW
Ensure handle is mounted
65mm from edge of panel
to the center—this will avoid
interference with bracket.
Ø2mm REF
10x Pilot holes recommended
for bracket attachment.
(Do not penetrate front surface).
TOP PANEL—REAR VIEW
Ø2mm REF
10x Pilot holes recommended
for bracket attachment.
(Do not penetrate front surface).
14 7/8" (377.8mm)
8" (203.2mm)
29 3/4" (755.6mm)
1 1/4" (32.6mm)
2" (50mm)
15" (127mm)
20" (507.8mm)
43" (1092mm)
2" (50mm)
2" (50mm)
49 3/8" (1254mm)
2" (50.8mm)
14 7/8" (377.8mm)
8" (203.2mm)
2" (50.8mm)
29 3/4" (755.6mm)
1 1/4" (32.6mm)
2" (50mm)
1 1/2" (38.1m)
3 1/2" (88mm)
20" (508.4mm)
23 3/16" (588.4mm)
30 3/8" (771.5mm)
Cutouts in the hanging bracket
are applicable for Fisher &
Paykel handles only.
Iflocating a custom handle in
the shaded area shown above,
ensure handle screw headsare
countersunk into the back of the
door panel to avoid interference
with the hanging bracket.
Bekijk gratis de handleiding van Fisher Paykel RD2484WR, stel vragen en lees de antwoorden op veelvoorkomende problemen, of gebruik onze assistent om sneller informatie in de handleiding te vinden of uitleg te krijgen over specifieke functies.
Productinformatie
| Merk | Fisher Paykel |
| Model | RD2484WR |
| Categorie | Niet gecategoriseerd |
| Taal | Nederlands |
| Grootte | 18225 MB |







