Festo EPCS-BS-32-200-3P-A-ST-M-H1-PLK-AA handleiding
Handleiding
Je bekijkt pagina 8 van 28

8
Festo — EPCS-BS — 2023-11e
Installation
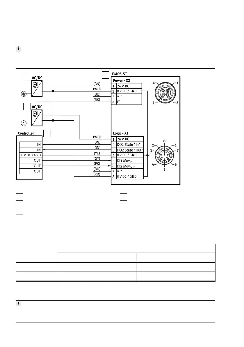
Wiring diagram: DIO operation (digital I/O)
In NPN mode defined levels must be applied to the DI1/DI2 digital inputs of the EMCS, e.g.by
controller outputs with pull-up resistors (4.3kW recommended).
1
2
3
4
Fig. 4: Wiring diagram: DIO operation (digital I/O)
1
PELV fixed power supply for the load
voltage supply
2
PELV fixed power supply for the logic power
supply
3
Integrated drive EMCS-ST
4
Higher-order controller with digital I/O
Status and control signals
The following table shows the status and control signals and the electrical levels of the digital inputs
and outputs as a function of the "PNP/NPN" version of the integrated drive.
Status and control
signal
Electrical levels
PNP, positive logic NPN, negative logic
0 Low level (0V) High level (24V)
1 High level (24V) Low level (0V)
Tab. 2: Overview of status and control signals as a function of electrical levels
Wiring diagram: IO-Link operation
Current consumption of IO-Link power supply [Logic]
An input current at pin 1 (L+) of 100...150mA is required for operation.
Bekijk gratis de handleiding van Festo EPCS-BS-32-200-3P-A-ST-M-H1-PLK-AA, stel vragen en lees de antwoorden op veelvoorkomende problemen, of gebruik onze assistent om sneller informatie in de handleiding te vinden of uitleg te krijgen over specifieke functies.
Productinformatie
Merk | Festo |
Model | EPCS-BS-32-200-3P-A-ST-M-H1-PLK-AA |
Categorie | Niet gecategoriseerd |
Taal | Nederlands |
Grootte | 2484 MB |