Federal SSRC-2452 handleiding

37 pagina's
PDF beschikbaar

Handleiding

Je bekijkt pagina 33 van 37
- 33 -
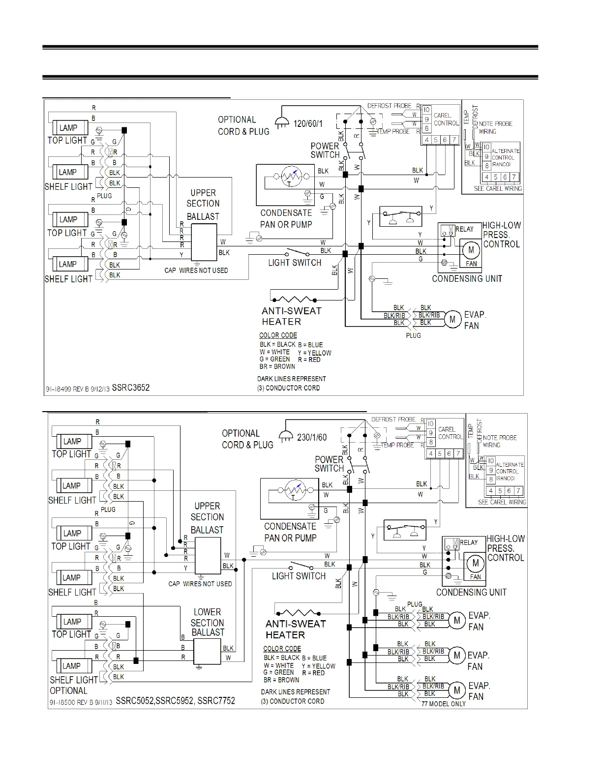
MAIN WIRING DIAGRAMS
SELF CONTAINED SSRC3652
SELF CONTAINED SSRC5052 SSRC5952, SSRC7752

Bekijk gratis de handleiding van Federal SSRC-2452, stel vragen en lees de antwoorden op veelvoorkomende problemen, of gebruik onze assistent om sneller informatie in de handleiding te vinden of uitleg te krijgen over specifieke functies.

Productinformatie

MerkFederal
ModelSSRC-2452
CategorieKoelkast
TaalNederlands
Grootte6182 MB