Handleiding
Je bekijkt pagina 24 van 27

E3290 ESGSSRC-404A
- 24 -
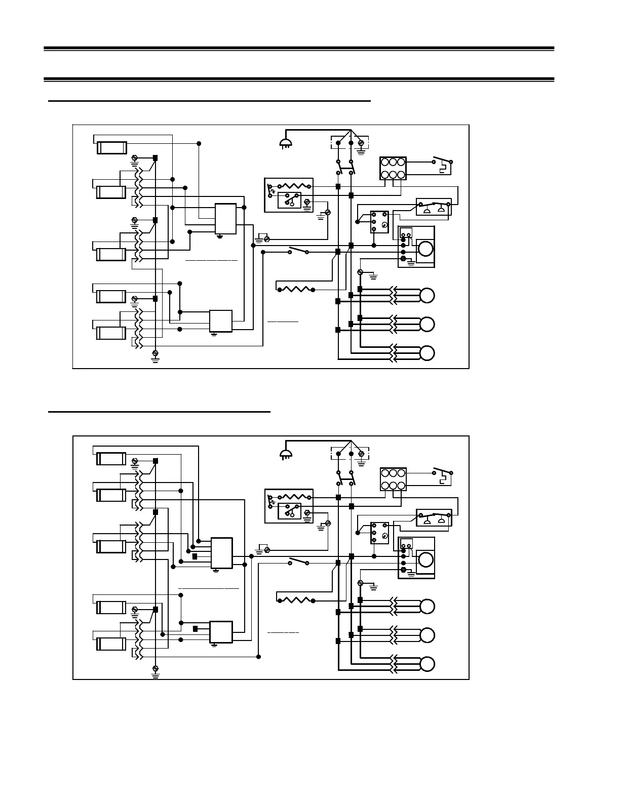
MAIN WIRING DIAGRAMS
SELF CONTAINED ESGSSRC5058, ESGSSRC5958
CONDENSING UNIT
OPTIONAL
CORD & PLUG
R
CONDENSATE
PAN OR PUMP
BLK
EVAP.
FAN
BLK/RIB
BLK/RIB
BLK
BLK
BLK
W
G
BLK
BLK
BLK
M
FAN
RELAY
M
BLK
EVAP.
FAN
BLK/RIB
BLK/RIB
BLK
BLKBLK
M
PLUG
DARK LINES REPRESENT
(3) CONDUCTOR CORD
BLK
POWER
C
NC
NO
SWITCH
23
1
X
4
N
Y
BR
BR
DEFROST
TIMER
DEFROST
TERMINATION
BLK
BLK/RIB
BLK/RIB
BLK
BLK
BLK
M
EVAP.
FAN
BLK
BLK
ANTI-SWEAT
HEATER
COLOR CODE
B = BLUE
Y = YELLOW
W = WHITE
R = RED
BLK = BLACK
G = GREEN
R = RED
BR = BROWN
BLK
G
LAMP
BLK
B
R
B
R
G
SHELF LIGHT
G
E3285 04/06/10
PLUG
B
W
TOP
SECTION
BALLAST
BLK
BLK
LIGHT SWITCH
BLK
G
LAMP
BLK
B
R
B
R
LAMP
B
G
SHELF LIGHT
B
R
UPPER
TOP LIGHT
77 MODEL ONLY
W
W
W
W
FSSRC5058, FSSRC5958
230/1/60
W
2
1
4
MIN.RUN TIMER
3
BL
Y
Y
Y
W
G
Y
BLK
PRESS.
CONTROL
HIGH-LOW
CAP WIRES NOT USED
B
R
R
BOTTOM SHELF
LIGHT OPTIONAL
BLK
G
LAMP
BLK
B
R
B
R
LAMP
B
G
BOTTOM
TOP LIGHT
B
W
BALLAST
BLK
R
B
LOWER
SECTION
SELF CONTAINED ESGSSRC7758
CONDENSING UNIT
OPTIONAL
CORD & PLUG
R
CONDENSATE
PAN OR PUMP
BLK
EVAP.
FAN
BLK/RIB
BLK/RIB
BLK
BLK
BLK
W
G
BLK
BLK
BLK
M
FAN
RELAY
M
BLK
EVAP.
FAN
BLK/RIB
BLK/RIB
BLK
BLK
BLK
M
PLUG
DARK LINES REPRESENT
(3) CONDUCTOR CORD
BLK
POWER
C
NC
NO
SWITCH
23
1
X
4
N
Y
BR
BR
DEFROST
TIMER
DEFROST
TERMINATION
BLK
BLK/RIB
BLK/RIB
BLK
BLKBLK
M
EVAP.
FAN
BLK
BLK
ANTI-SWEAT
HEATER
COLOR CODE
B = BLUE
Y = YELLOW
W = WHITE
R = RED
BLK = BLACK
G = GREEN
R = RED
BR = BROWN
BLK
G
LAMP
BLK
B
R
B
R
G
SHELF LIGHT
G
E3286 04/07/10
PLUG
B
W
BALLAST
BLK
BLK
LIGHT SWITCH
BLK
G
LAMP
BLK
B
R
B
R
LAMP
B
R
G
SHELF LIGHT
Y
R
Y
TOP LIGHT
SHELF LIGHT
OPTIONAL
BLK
G
LAMP
BLK
B
R
B
R
LAMP
B
R
G
TOP LIGHT
B
W
BALLAST
BLK
R
B
UPPER
SECTION
LOWER
SECTION
77 MODEL ONLY
R
W
W
W
W
FSSRC7758
230/1/60
W
2
1
4
MIN.RUN TIMER
3
BL
Y
Y
Y
W
G
Y
BLK
PRESS.
CONTROL
HIGH-LOW
CAP WIRES NOT USED
R
B
B
Bekijk gratis de handleiding van Federal ESSRC5052, stel vragen en lees de antwoorden op veelvoorkomende problemen, of gebruik onze assistent om sneller informatie in de handleiding te vinden of uitleg te krijgen over specifieke functies.
Productinformatie
Merk | Federal |
Model | ESSRC5052 |
Categorie | Koelkast |
Taal | Nederlands |
Grootte | 3254 MB |