Fantini Cosmi EV200RL handleiding
Handleiding
Je bekijkt pagina 23 van 28

23
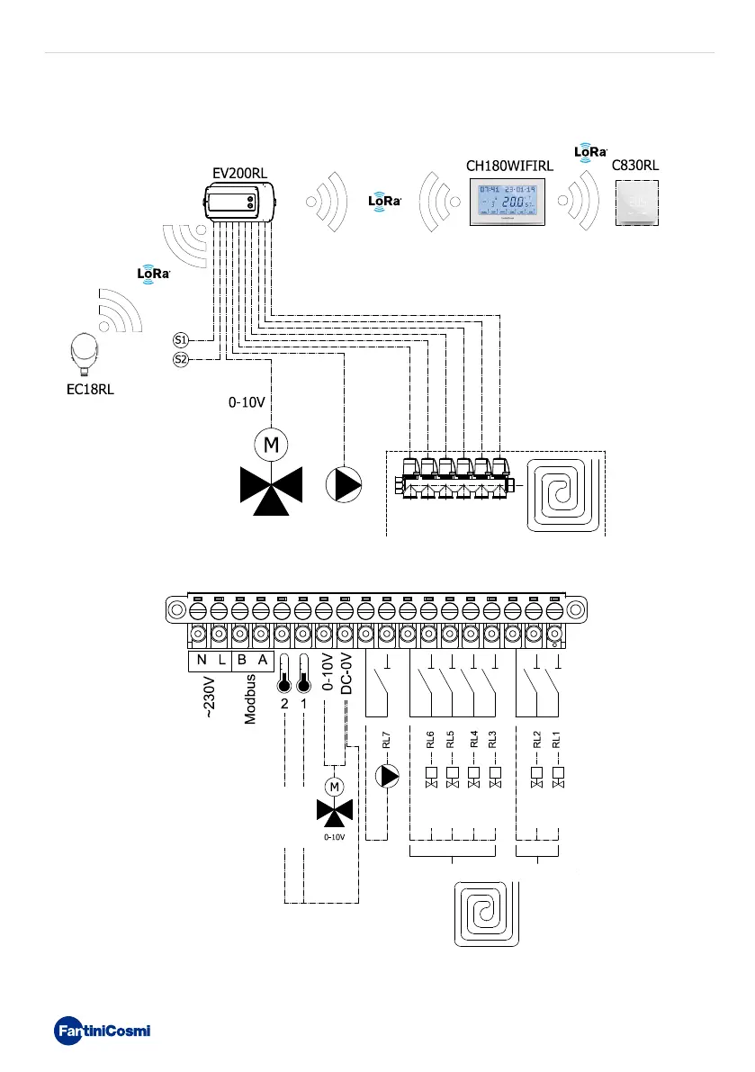
EV200RL
CLIMATE CONTROL OF A RADIANT PANEL HEATING/COOLING SYSTEM WITH 0/10V MIXING VALVE, CIRCULATOR PUMP, DISTRIBUTION MANIFOLD,
AND UP TO 6 ZONES (ROOM THERMOSTATS TYPE C830RL):
NR. 4
ELECTROTHERMAL
ACTUATORS
NR. 2
ELECTROTHERMAL
ACTUATORS
SAME VOLTAGE SAME VOLTAGE
MAX 6
ROOMS/ZONES
SENSOR 1
SENSOR 2
Bekijk gratis de handleiding van Fantini Cosmi EV200RL, stel vragen en lees de antwoorden op veelvoorkomende problemen, of gebruik onze assistent om sneller informatie in de handleiding te vinden of uitleg te krijgen over specifieke functies.
Productinformatie
Merk | Fantini Cosmi |
Model | EV200RL |
Categorie | Thermostaat |
Taal | Nederlands |
Grootte | 2775 MB |