Handleiding
Je bekijkt pagina 72 van 76

72
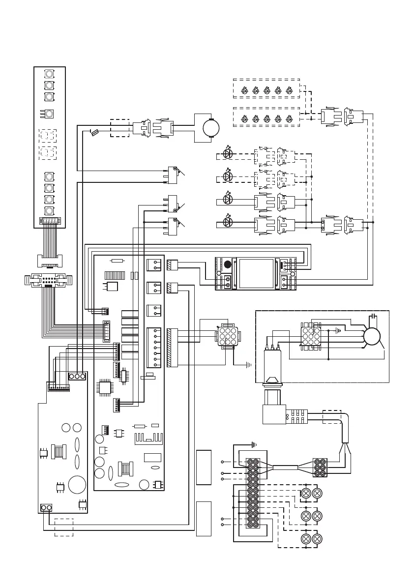
Diagrama de cableado
/
25*
25*
/$0332:(5
9+]
1 *1' /
%5:
+22'32:(5
9+]
<*
1
%/8
%/8
*5<
25*
:+7
5('
%/.%/.<*
%5:
%/8
%/.
5('
31.
:+7
02725
<*
31.
09
%5:
25*
0
%/8%5::+7
/%/%%/8
%5:%/.
*5<
/8;
%/8
%/8
$8;
)DEHU$7)
25*
6(&
(/(&7521,&
7516)250(5
/1
%/.
:+7
*5<
25*%/.
*5<
/8;
5('25*
9/725*
%/8*5<*5<*5<
25*
/('
%/.%/.%/.
12'2:1
/,0,7
6:,7&+(6
25*
*5<*5<*5<
/('
%/.%/.
1283
/,0,7
6:,7&+(6
:+7*5<*5<
/('
%/.%/.
%/8
12
6$)(7<'2:1
6:,7&+
*5<*5<
/('
%/.%/.
)8
;
7,0(
'(/$<
25*%/.
5('5('
0
%$55$)$5(772/('
*5<
%/.
%$55$)$5(772/('
Bekijk gratis de handleiding van Faber ZOOMIL16SS400B, stel vragen en lees de antwoorden op veelvoorkomende problemen, of gebruik onze assistent om sneller informatie in de handleiding te vinden of uitleg te krijgen over specifieke functies.
Productinformatie
| Merk | Faber |
| Model | ZOOMIL16SS400B |
| Categorie | Afzuigkap |
| Taal | Nederlands |
| Grootte | 7982 MB |







