Handleiding
Je bekijkt pagina 48 van 76

48
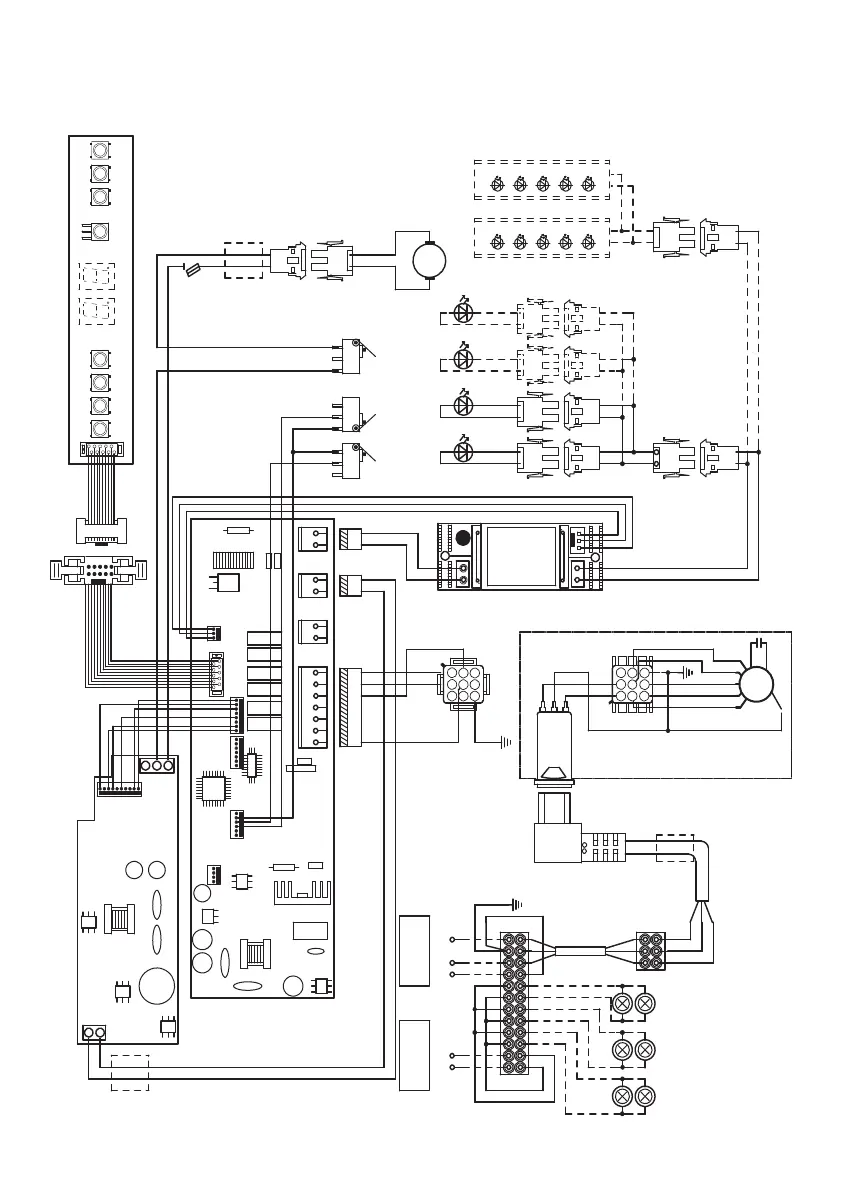
Schéma de câblage
/
25*
25*
/$0332:(5
9+]
1 *1' /
%5:
+22'32:(5
9+]
<*
1
%/8
%/8
*5<
25*
:+7
5('
%/.%/.<*
%5:
%/8
%/.
5('
31.
:+7
02725
<*
31.
09
%5:
25*
0
%/8%5::+7
/%/%%/8
%5:%/.
*5<
/8;
%/8
%/8
$8;
)DEHU$7)
25*
6(&
(/(&7521,&
7516)250(5
/1
%/.
:+7
*5<
25*%/.
*5<
/8;
5('25*
9/725*
%/8*5<*5<*5<
25*
/('
%/.%/.%/.
12'2:1
/,0,7
6:,7&+(6
25*
*5<*5<*5<
/('
%/.%/.
1283
/,0,7
6:,7&+(6
:+7*5<*5<
/('
%/.%/.
%/8
12
6$)(7<'2:1
6:,7&+
*5<*5<
/('
%/.%/.
)8
;
7,0(
'(/$<
25*%/.
5('5('
0
%$55$)$5(772/('
*5<
%/.
%$55$)$5(772/('
Bekijk gratis de handleiding van Faber ZOOMIL16SS400B, stel vragen en lees de antwoorden op veelvoorkomende problemen, of gebruik onze assistent om sneller informatie in de handleiding te vinden of uitleg te krijgen over specifieke functies.
Productinformatie
| Merk | Faber |
| Model | ZOOMIL16SS400B |
| Categorie | Afzuigkap |
| Taal | Nederlands |
| Grootte | 7982 MB |







