Handleiding
Je bekijkt pagina 24 van 76

24
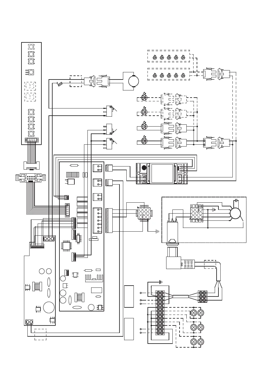
Wiring Diagram
/
25*
25*
/$0332:(5
9+]
1 *1' /
%5:
+22'32:(5
9+]
<*
1
%/8
%/8
*5<
25*
:+7
5('
%/.%/.<*
%5:
%/8
%/.
5('
31.
:+7
02725
<*
31.
09
%5:
25*
0
%/8%5::+7
/%/%%/8
%5:%/.
*5<
/8;
%/8
%/8
$8;
)DEHU$7)
25*
6(&
(/(&7521,&
7516)250(5
/1
%/.
:+7
*5<
25*%/.
*5<
/8;
5('25*
9/725*
%/8*5<*5<*5<
25*
/('
%/.%/.%/.
12'2:1
/,0,7
6:,7&+(6
25*
*5<*5<*5<
/('
%/.%/.
1283
/,0,7
6:,7&+(6
:+7*5<*5<
/('
%/.%/.
%/8
12
6$)(7<'2:1
6:,7&+
*5<*5<
/('
%/.%/.
)8
;
7,0(
'(/$<
25*%/.
5('5('
0
%$55$)$5(772/('
*5<
%/.
%$55$)$5(772/('
Bekijk gratis de handleiding van Faber ZOOMIL16SS400, stel vragen en lees de antwoorden op veelvoorkomende problemen, of gebruik onze assistent om sneller informatie in de handleiding te vinden of uitleg te krijgen over specifieke functies.
Productinformatie
| Merk | Faber |
| Model | ZOOMIL16SS400 |
| Categorie | Afzuigkap |
| Taal | Nederlands |
| Grootte | 7982 MB |







