Faber SCLX3015BKNBB handleiding

44 pagina's
PDF beschikbaar

Handleiding

Je bekijkt pagina 40 van 44
40
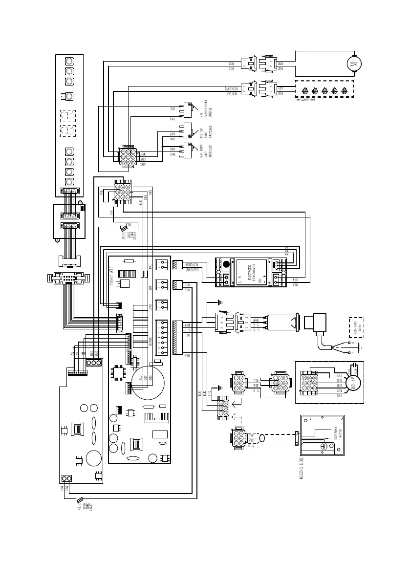
Schéma de câblage

Bekijk gratis de handleiding van Faber SCLX3015BKNBB, stel vragen en lees de antwoorden op veelvoorkomende problemen, of gebruik onze assistent om sneller informatie in de handleiding te vinden of uitleg te krijgen over specifieke functies.

Productinformatie

MerkFaber
ModelSCLX3015BKNBB
CategorieAfzuigkap
TaalNederlands
Grootte3987 MB