Handleiding
Je bekijkt pagina 30 van 52

30
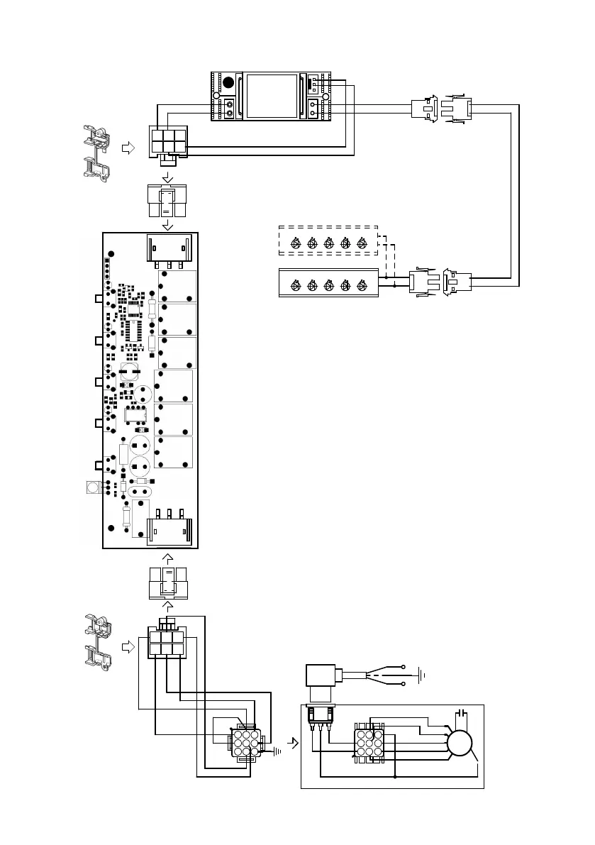
Schéma de câblage
Bekijk gratis de handleiding van Faber INLT35SSV, stel vragen en lees de antwoorden op veelvoorkomende problemen, of gebruik onze assistent om sneller informatie in de handleiding te vinden of uitleg te krijgen over specifieke functies.
Productinformatie
| Merk | Faber |
| Model | INLT35SSV |
| Categorie | Afzuigkap |
| Taal | Nederlands |
| Grootte | 5261 MB |







