Handleiding
Je bekijkt pagina 16 van 52

16
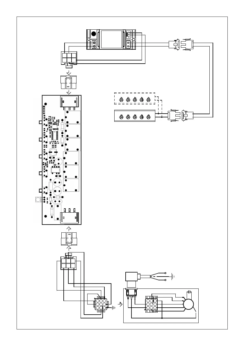
Wiring Diagram
120V 60Hz
Bekijk gratis de handleiding van Faber INLT28SSV, stel vragen en lees de antwoorden op veelvoorkomende problemen, of gebruik onze assistent om sneller informatie in de handleiding te vinden of uitleg te krijgen over specifieke functies.
Productinformatie
| Merk | Faber |
| Model | INLT28SSV |
| Categorie | Afzuigkap |
| Taal | Nederlands |
| Grootte | 5329 MB |







