Handleiding
Je bekijkt pagina 24 van 40

24
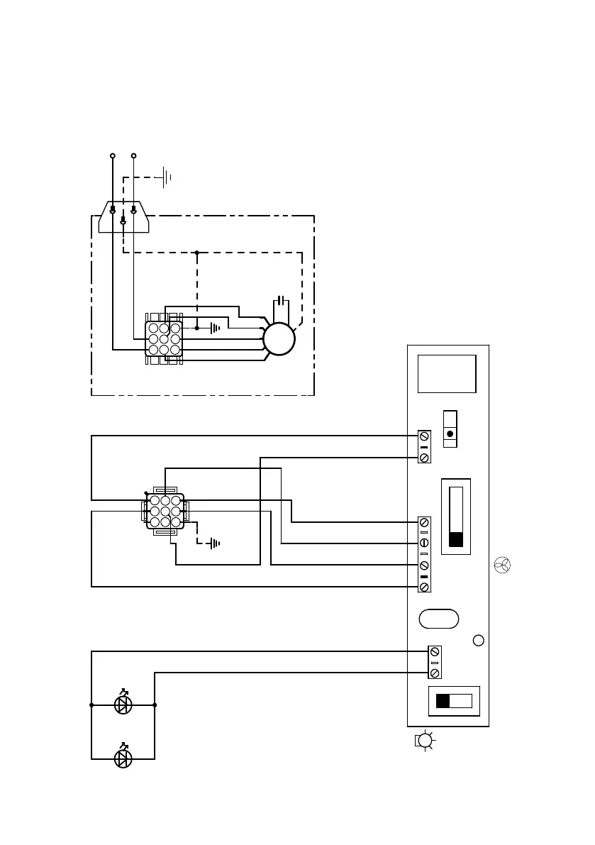
Schéma de câblage
Bekijk gratis de handleiding van Faber CRIS30SS400, stel vragen en lees de antwoorden op veelvoorkomende problemen, of gebruik onze assistent om sneller informatie in de handleiding te vinden of uitleg te krijgen over specifieke functies.
Productinformatie
| Merk | Faber |
| Model | CRIS30SS400 |
| Categorie | Afzuigkap |
| Taal | Nederlands |
| Grootte | 4128 MB |







