Handleiding
Je bekijkt pagina 12 van 40

12
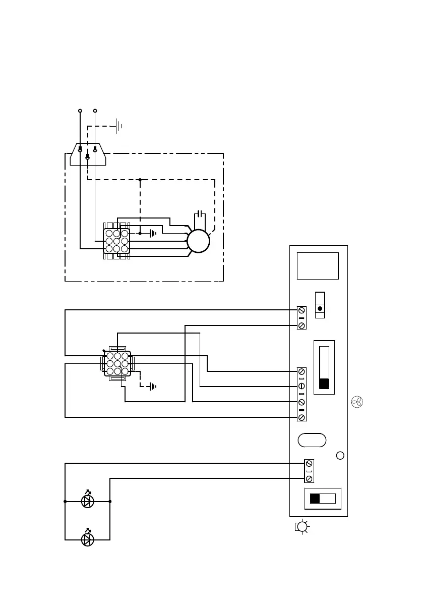
Wiring Diagram
Bekijk gratis de handleiding van Faber CRIS30SS400, stel vragen en lees de antwoorden op veelvoorkomende problemen, of gebruik onze assistent om sneller informatie in de handleiding te vinden of uitleg te krijgen over specifieke functies.
Productinformatie
| Merk | Faber |
| Model | CRIS30SS400 |
| Categorie | Afzuigkap |
| Taal | Nederlands |
| Grootte | 4128 MB |







