EXSYS EX-45032 handleiding

20 pagina's
PDF beschikbaar

Handleiding

Je bekijkt pagina 16 van 20
16
English EX-45032
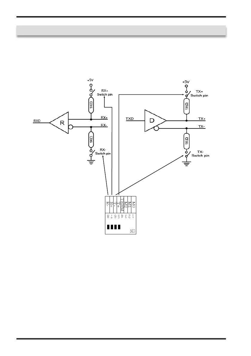
4. Switch and Jumper Settings
4.1 Switch Settings
Resistors for RS-422, RS-485 2-wire and RS-485 4-wire mode:
© Copyright 2020 by EXSYS Vertriebs GmbH. All Rights Reserved

Bekijk gratis de handleiding van EXSYS EX-45032, stel vragen en lees de antwoorden op veelvoorkomende problemen, of gebruik onze assistent om sneller informatie in de handleiding te vinden of uitleg te krijgen over specifieke functies.

Productinformatie

MerkEXSYS
ModelEX-45032
CategorieNiet gecategoriseerd
TaalNederlands
Grootte2035 MB

Caratteristiche Prodotto

Soort serieële aansluitingRS-232/422/485
HostinterfacePCIe
Seriële poort(en)2
FIFO (First In, First Out)16 B
Output interfaceSerie