EXSYS EX-42034 handleiding
Handleiding
Je bekijkt pagina 4 van 20

4
Deutsch EX-42034
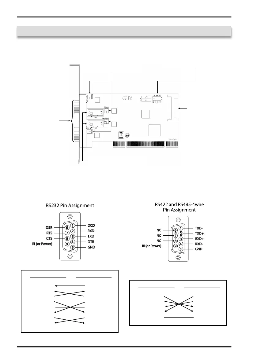
3.1 Aufbau
3.2 Anschlüsse
JP2-JP5:
5V oder 12V auf Pin 9
des seriellen Anschlusses
JP1: Jumper für die Stromquelle
(Netzteil oder PCI Bus)
J4: Stromanschluss
für PC-Netzteil
DB9 (EX-42034) DB9 (Endgerät)
1 DCD 1 DCD
2 RXD 2 RXD
3 TXD 3 TXD
4 DTR 4 DTR
5 GND 5 GND
6 DSR 6 DSR
7 RTS 7 RTS
8 CTS 8 CTS
DB9 (EX-42034) DB9 (Endgerät)
1 TXD- 1 TCD-
2 TXD+ 2 TXD+
3 RXD+ 3 RXD+
4 RXD- 4 RXD-
5 GND 5 GND
3. Aufbau und Anschlüsse
© Copyright 2020 by EXSYS Vertriebs GmbH. All Rights Reserved
S1 & S2:
9 Pin Stecker
serieller Anschluss
S3 & S4:
Interne serielle 10 Pin
Header für Anschluss 3 & 4
Bekijk gratis de handleiding van EXSYS EX-42034, stel vragen en lees de antwoorden op veelvoorkomende problemen, of gebruik onze assistent om sneller informatie in de handleiding te vinden of uitleg te krijgen over specifieke functies.
Productinformatie
| Merk | EXSYS |
| Model | EX-42034 |
| Categorie | Niet gecategoriseerd |
| Taal | Nederlands |
| Grootte | 2143 MB |
Caratteristiche Prodotto
| Kleur van het product | Oranje |
| Gebruikershandleiding | Ja |
| Soort serieële aansluiting | RS-232, RS-422, RS-485 |
| Aantal per verpakking | 2 stuk(s) |
| Intern | Ja |







