EXSYS EX-42034 handleiding
Handleiding
Je bekijkt pagina 16 van 20

16
English EX-42034
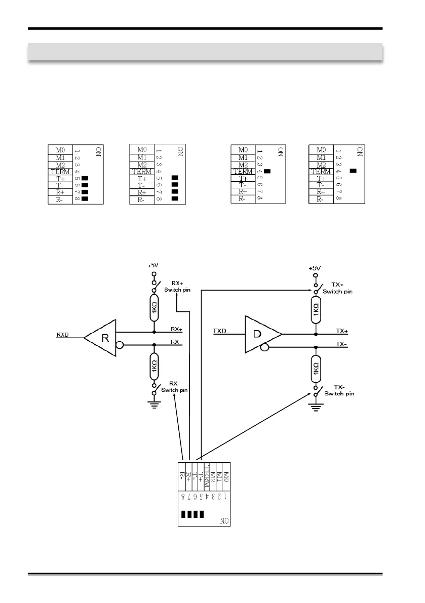
4. Switch and Jumper Settings
4.1 Switch Settings
Mode & Terminator Switch (S1-S4_Mode)
Resistors for RS-422, RS-485 2-wire and RS-485 4-wire mode:
Resistor Off Resistor On Terminator Off
Terminator On
© Copyright 2020 by EXSYS Vertriebs GmbH. All Rights Reserved
Bekijk gratis de handleiding van EXSYS EX-42034, stel vragen en lees de antwoorden op veelvoorkomende problemen, of gebruik onze assistent om sneller informatie in de handleiding te vinden of uitleg te krijgen over specifieke functies.
Productinformatie
| Merk | EXSYS |
| Model | EX-42034 |
| Categorie | Niet gecategoriseerd |
| Taal | Nederlands |
| Grootte | 2143 MB |
Caratteristiche Prodotto
| Kleur van het product | Oranje |
| Gebruikershandleiding | Ja |
| Soort serieële aansluiting | RS-232, RS-422, RS-485 |
| Aantal per verpakking | 2 stuk(s) |
| Intern | Ja |







