ETA 239790001 handleiding
Handleiding
Je bekijkt pagina 67 van 194

SK
SK - 67
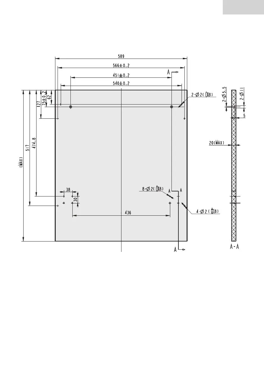
Rozmery a inštalácia krycieho panelu
1. Krycí drevený panel je potrebné inštalovať podľa obrázku 3 v súlade s vyobrazenými
rozmermi.
720
Obrázek 3
2. Nainštalujte na krycí drevený panel háčik a zaháknite ho do otvoru vonkajších dvierok
umývačky (obrázok 4a). Po umiestnení panelu ho upevnite na vonkajšie dvierka pomocou
skrutiek (obrázok 4b).
Bekijk gratis de handleiding van ETA 239790001, stel vragen en lees de antwoorden op veelvoorkomende problemen, of gebruik onze assistent om sneller informatie in de handleiding te vinden of uitleg te krijgen over specifieke functies.
Productinformatie
Merk | ETA |
Model | 239790001 |
Categorie | Vaatwasser |
Taal | Nederlands |
Grootte | 20269 MB |