ETA 239790001 handleiding
Handleiding
Je bekijkt pagina 181 van 194

PL
PL - 181
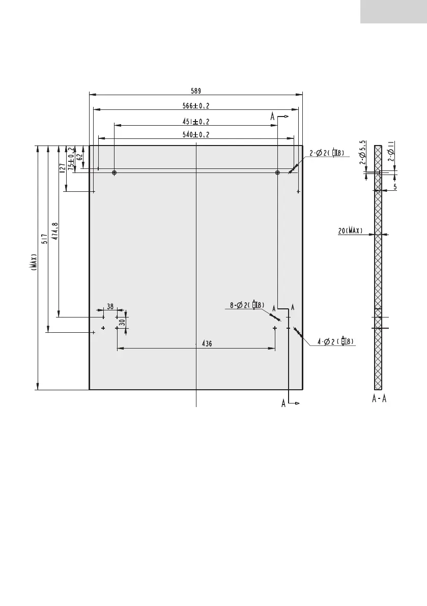
Wymiary panelu osłonowego i montaż
1. Drewniany panel osłonowy należy zamontować zgodnie z rysunkiem 3, zgodnie
zpodanymi wymiarami
720
Obrázek 3
2. Zamontuj hak na drewnianym panelu pokrywy i zaczep go o otwór w zewnętrznych drzwiach
zmywarki (patrz rysunek 4a). Po ułożeniu panelu przymocuj go do drzwi zewnętrznych za
pomocą wkrętów i wkrętów (patrz rysunek 4b).
Bekijk gratis de handleiding van ETA 239790001, stel vragen en lees de antwoorden op veelvoorkomende problemen, of gebruik onze assistent om sneller informatie in de handleiding te vinden of uitleg te krijgen over specifieke functies.
Productinformatie
| Merk | ETA |
| Model | 239790001 |
| Categorie | Vaatwasser |
| Taal | Nederlands |
| Grootte | 20269 MB |



