Ensemble Designs BrightEye 70 handleiding
Handleiding
Je bekijkt pagina 2 van 26

BrightEye 70 HD/SD AES Embedder/Disembedder
PRODUCT OVERVIEW
The BrightEye 70 is a dual rate, eight channel audio embedder or disembedder
for 1.5 Gb/s high definition video signals or for 270 Mb/s standard defintion
signals. Four AES ports automatically configure for inputs or outputs when the
module is configured for Mux or Demux.
Selection of Mux or Demux mode, AES group selection, VU status, and gain
adjustment can be monitored and adjusted from the front panel. More advanced
functionality is available via the BrightEye Control application.
The BrightEye 70 includes an eight channel audio mixer with channel swap and
shuffle capability that allows you to completely rearrange and remix audio
channels. It provides precise control over audio level, up to 2 dB of gain to com-
pensate for low level sources. All audio processing is prerformed at full 24 bit res-
olutionby a digital signal processor (DSP).
Delay is adjustable up to one second. The Data mode operation allows embedding
or disembedding of Dolby E or AC3 signals.
A glossary of commonly used video terms is provided at the end of this manual.
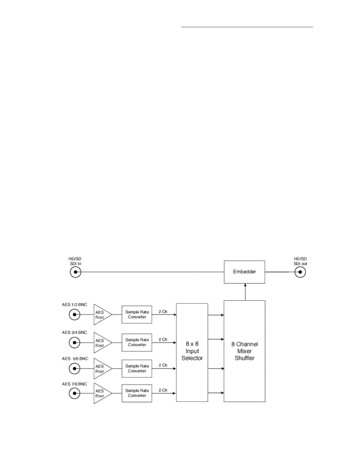
FUNCTIONAL DESCRIPTION
When configured as a multiplexer as shown in the functional block diagram
below, the BrightEye 70 has one serial digital video input and four AES inputs.
The four AES streams are sample rate converted (allowing the use of asyn-
chronous audio) then processed in the input selector and mixer/shuffler. The
selected groups are then embedded into the video stream. The output of the
module is a digital stream that contains the original video signal and four audio
pairs.
BrightEye-2
BrightEye 70 Multiplexer (Embedder) Mode Functional Block Diagram
Bekijk gratis de handleiding van Ensemble Designs BrightEye 70, stel vragen en lees de antwoorden op veelvoorkomende problemen, of gebruik onze assistent om sneller informatie in de handleiding te vinden of uitleg te krijgen over specifieke functies.
Productinformatie
| Merk | Ensemble Designs |
| Model | BrightEye 70 |
| Categorie | Niet gecategoriseerd |
| Taal | Nederlands |
| Grootte | 3477 MB |







