Electrolux TD6-30LAC handleiding
Handleiding
Je bekijkt pagina 9 van 46

Installation manual
9
3 Technical data
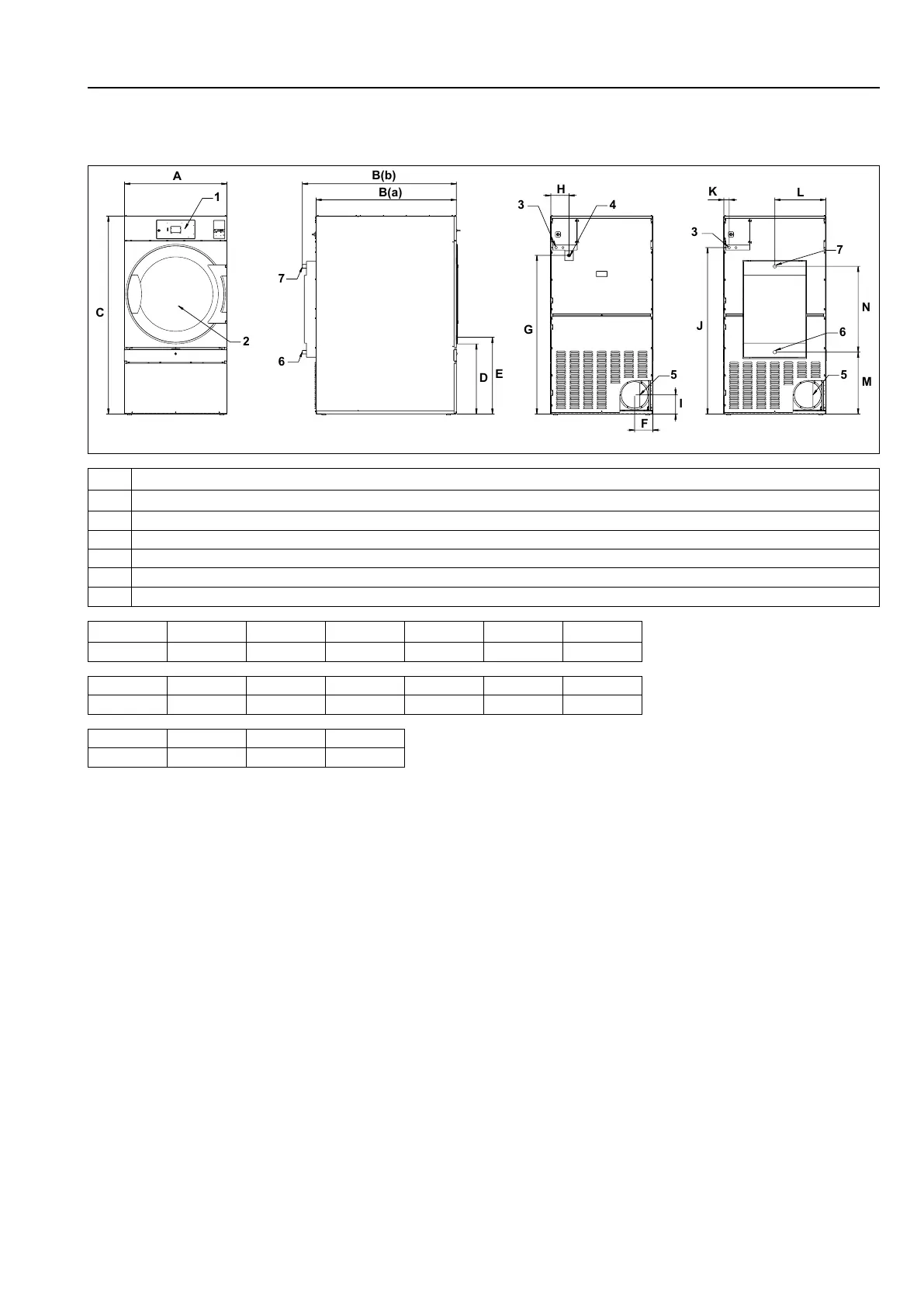
3.1 Drawing
A
B(a)
E
C
B(b)
D
G
H
J
I
F
K
M
N
L
1
2
7
6
5
6
3
7
3
4
5
1 Operating panel
2 Door opening, ⌀ 810 mm
3 Electrical connection
4 Gas connection
5 Exhaust connection
6 Steam: in
7
Steam: out
A B(a) B(b) C D E
mm
960 1365 1445 1855 660 720
F G H I J K
mm
170 1490 200 180 1560 50
L M N
mm
480 580 805
Bekijk gratis de handleiding van Electrolux TD6-30LAC, stel vragen en lees de antwoorden op veelvoorkomende problemen, of gebruik onze assistent om sneller informatie in de handleiding te vinden of uitleg te krijgen over specifieke functies.
Productinformatie
Merk | Electrolux |
Model | TD6-30LAC |
Categorie | Wasdroger |
Taal | Nederlands |
Grootte | 3753 MB |