Elco Polywarm-Maxi PWC1 handleiding
Handleiding
Je bekijkt pagina 20 van 25

Page ! of !
20
25
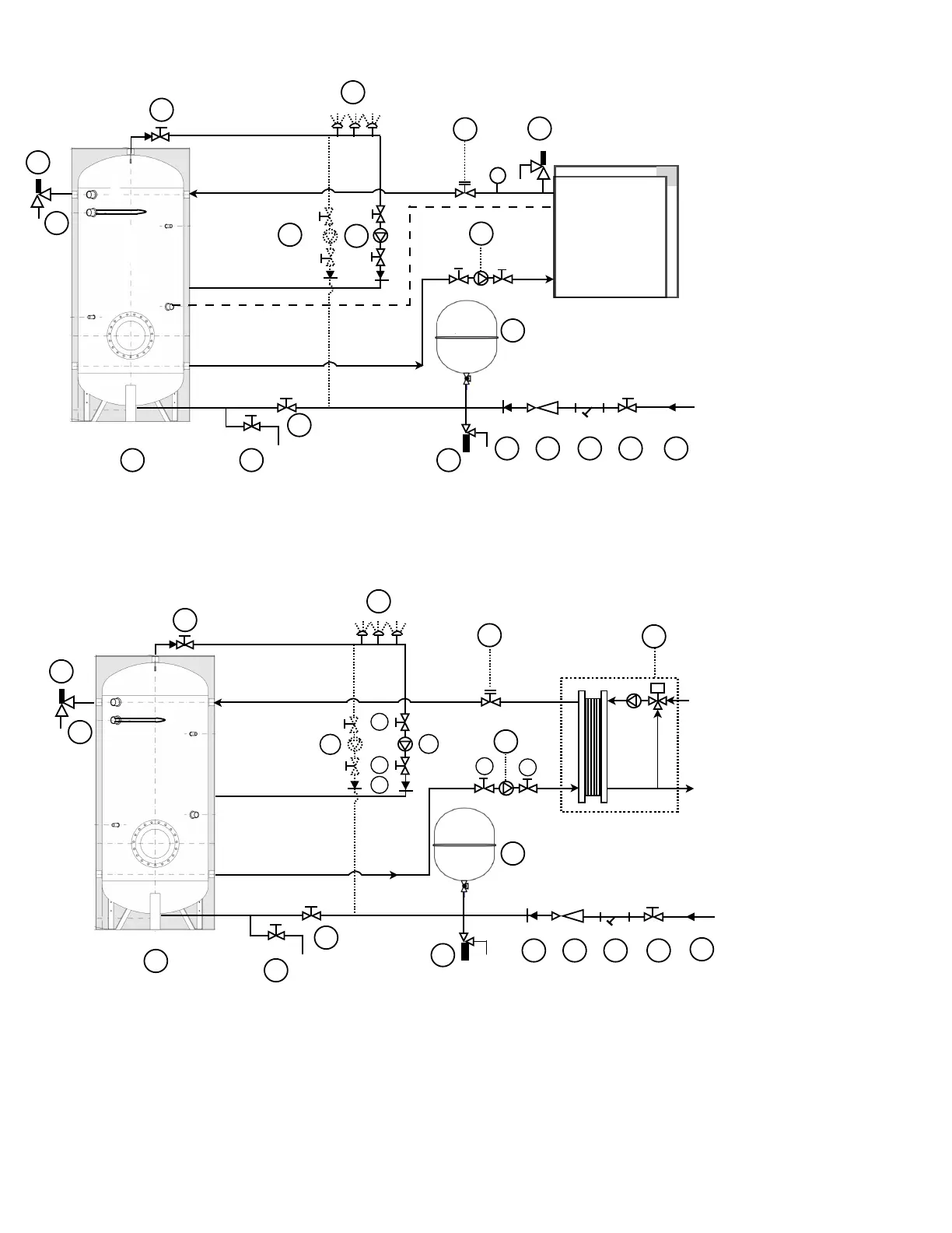
Figure 17.5 - Typical Unvented Water Heater and Buffer Vessel Schematic
Figure 17.6 - Typical Unvented Packaged Plate Heat Exchanger and Buffer Vessel
Schematic
1
23
8
7
2
3
6
4
5
13
11
12
17
10
12
Trigon XL
Water
Heater
P
20
21
1
23
8
7
2
3
6
4
5
13
11
12
17
10
22
20
21
2
2
2
2
2
2
2
2
6
1. Cold water mains supply
2. Isolating valve
3. Strainer
4. Pressure reducing valve
5. Expansion vessel
6. Non return valve
7. Expansion relief valve
8. Drain valve
9. Inox Maxi SSC1
10. Re-circulating pump
11. Hot water outlets
12. Temperature & pressure
relief valve
13. De-Stratification pump
14. Primary heating circuit flow
15. Primary heating circuit return
16. Pressure relief valve
17. Immersion heater
18. Two port motorised valve
(not of Elco supply)
19. Inox Maxi SSC2
20. Double regulating valve
21. Loading pump
22. Packaged plate heat
exchanger set
23. Inox Maxi HSB Tank
Legend
Bekijk gratis de handleiding van Elco Polywarm-Maxi PWC1, stel vragen en lees de antwoorden op veelvoorkomende problemen, of gebruik onze assistent om sneller informatie in de handleiding te vinden of uitleg te krijgen over specifieke functies.
Productinformatie
Merk | Elco |
Model | Polywarm-Maxi PWC1 |
Categorie | Niet gecategoriseerd |
Taal | Nederlands |
Grootte | 6425 MB |