Elation Satura Spot CMY Pro handleiding
Handleiding
Je bekijkt pagina 12 van 34

www.elationlighting.com
12 SATURA SPOT CMY PRO™ User Manual
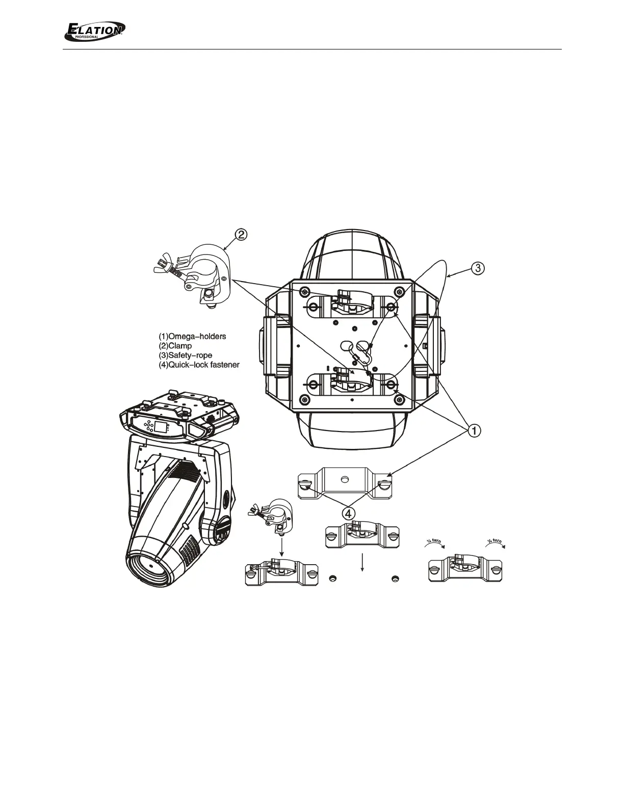
CLAMP MOUNTING
The fixture provides a unique mounting bracket assembly that integrates the bottom
of the base, the included Omega Brackets (x2) and safety cable rigging point in
one unit (see the illustration below). When mounting this fixture to truss be sure to
secure an appropriately rated clamps to the included omega brackets using a M10
screw fitted through the center hole of the Omega Bracket. Be sure to attach the
included Safety Cable to the fixture using the safety cable rigging point integrated
in the base assembly.
SECURING
Regardless of the rigging option you choose for your fixture always be sure to secure
your fixture with a safety cable. The fixture provides a built-in rigging point for a
safety cable on the hanging bracket as illustrated above. Be sure to only use the
designated rigging point for the safety cable and never secure a safety cable to a
carrying handle.
Bekijk gratis de handleiding van Elation Satura Spot CMY Pro, stel vragen en lees de antwoorden op veelvoorkomende problemen, of gebruik onze assistent om sneller informatie in de handleiding te vinden of uitleg te krijgen over specifieke functies.
Productinformatie
| Merk | Elation |
| Model | Satura Spot CMY Pro |
| Categorie | Verlichting |
| Taal | Nederlands |
| Grootte | 5493 MB |






