Elation Satura Profile handleiding
Handleiding
Je bekijkt pagina 11 van 40

11
INSTALLATION GUIDELINES
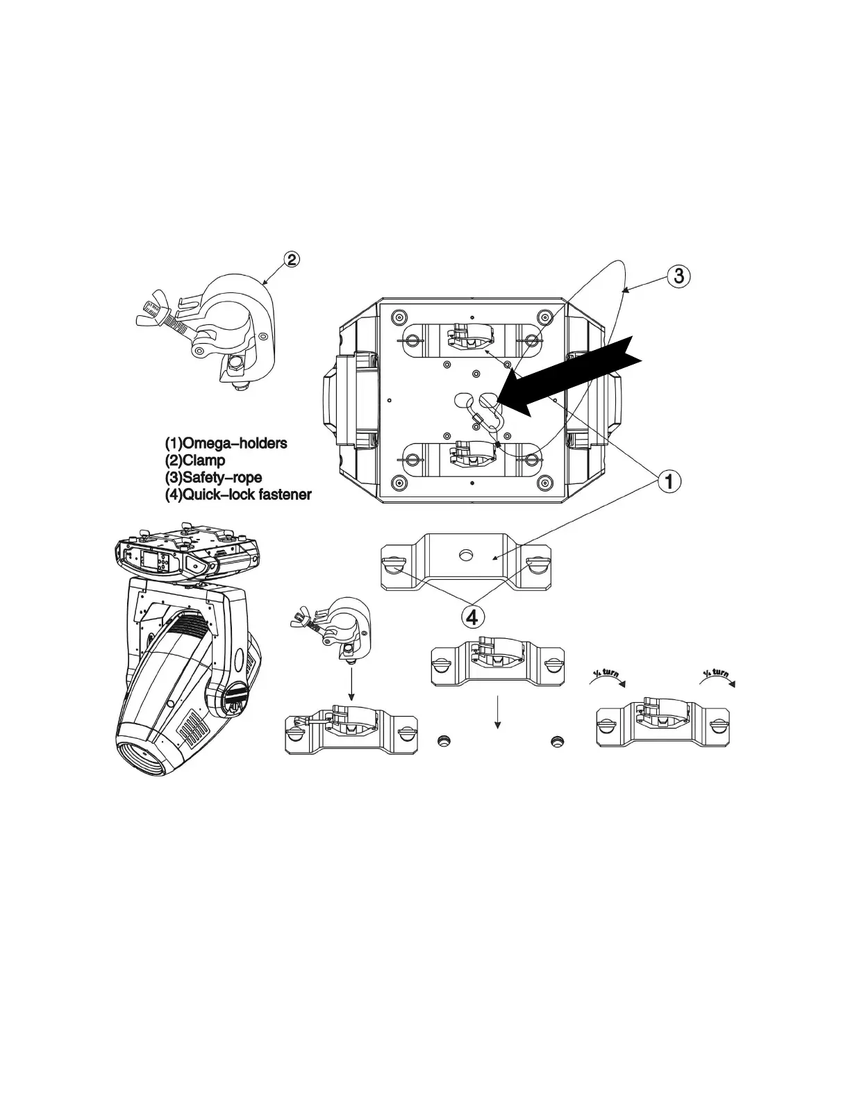
OMEGA BRACKETS INSTALLATION
Insert the Omega Brackets into the matching holes on the bottom of the fixture. Secure
the Omega Brackets to the fixture by turning each quick-lock fastener ¼ turn clockwise;
making sure the fastener is completely locked.
CLAMP INSTALLATION
When mounting fixture to truss, be sure to secure an appropriately rated professional
grade rigging clamp to the included Omega Brackets using an M10 screw fitted through
the center hole of the Omega Brackets. The fixture provides a built-in rigging point for a
SAFETY CABLE. Be sure to only use the designated rigging point for the safety cable and
never secure a safety cable to a carrying handle.
SAFETY CABLE
RIGGING POINT
Bekijk gratis de handleiding van Elation Satura Profile, stel vragen en lees de antwoorden op veelvoorkomende problemen, of gebruik onze assistent om sneller informatie in de handleiding te vinden of uitleg te krijgen over specifieke functies.
Productinformatie
| Merk | Elation |
| Model | Satura Profile |
| Categorie | Verlichting |
| Taal | Nederlands |
| Grootte | 10878 MB |






