Elation Rayzor Q12 handleiding

51 pagina's
PDF beschikbaar

Handleiding

Je bekijkt pagina 49 van 51
www.elationlighting.com!
49!!!!!!!!!!!!!!!!!!!!!!!!!RAYZOR'Q12™'User'Manual'1.0
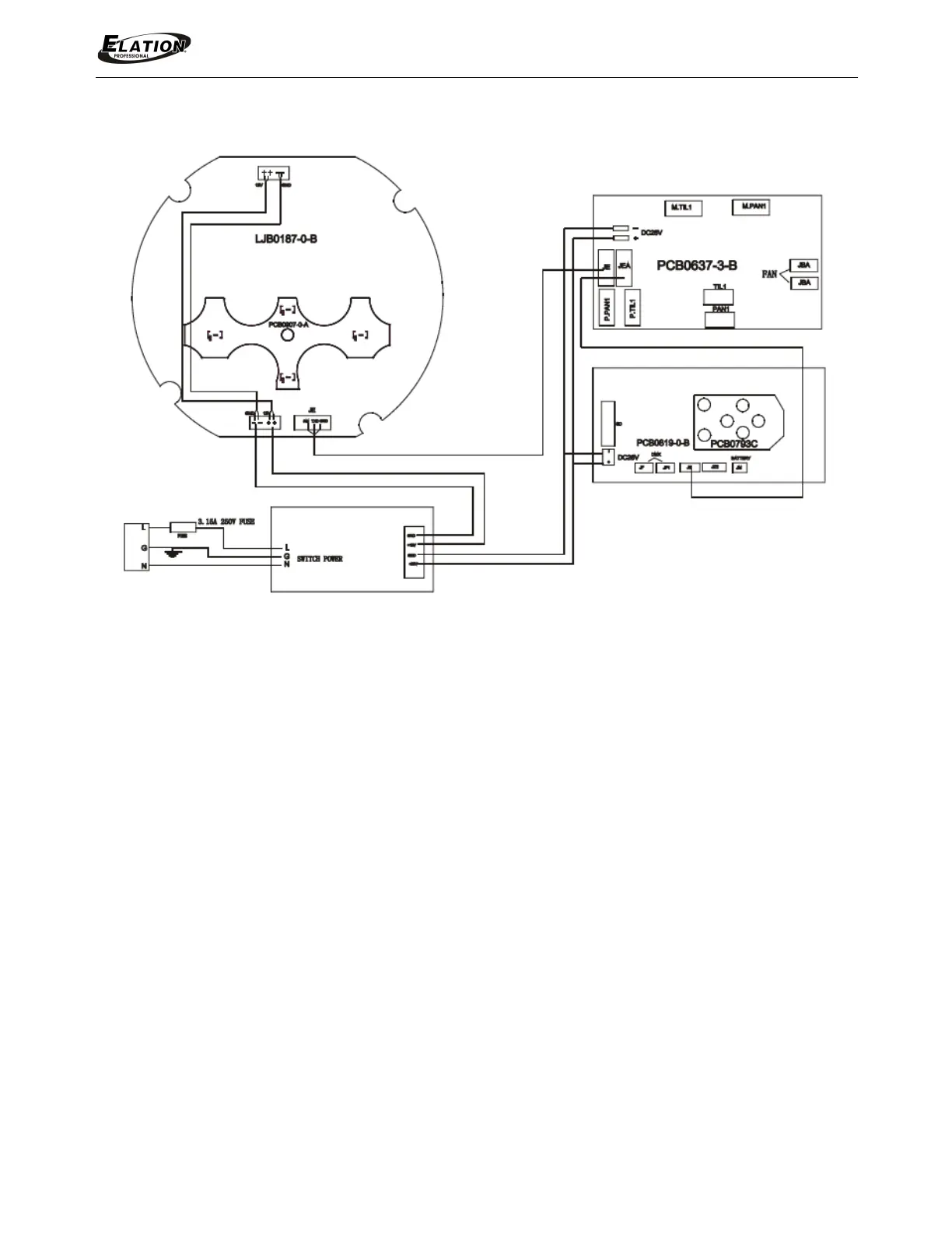
CIRCUIT SCHEMATIC

Bekijk gratis de handleiding van Elation Rayzor Q12, stel vragen en lees de antwoorden op veelvoorkomende problemen, of gebruik onze assistent om sneller informatie in de handleiding te vinden of uitleg te krijgen over specifieke functies.

Productinformatie

MerkElation
ModelRayzor Q12
CategorieVerlichting
TaalNederlands
Grootte8517 MB