Elation PROTEUS BRUTUS FS handleiding
Handleiding
Je bekijkt pagina 14 van 52

14
CAMERA COMPATABILITY AND INSTALLATION
The xture’s camera chassis is engineered to support an array of camera models used across various
follow spot tracking systems. While it may be compatible with additional cameras, it is incumbent upon
the user to verify this compatibility. For camera integration, the xture includes a straightforward
mounting plate. Users are advised to contemplate the creation of custom mounting plates tailored
to their specic requirements. For those needing precise dimensions or design assistance, CAD les
for the mounting system are accessible on the product page of the xture.
3.5" (89mm)
1.2"
(30mm)
1.2" (30mm)
8-⌀.12" (⌀3.3mm)
M4
3.2" (82mm)
1.0" (26mm)
2A-⌀.21" (⌀5.4mm)
BSO-M3X8
2.1" (53mm)
1.38"
(35.3mm)
1.39"
(35.4mm)
1.39" (35.4mm)
4B-⌀.21" (⌀5.4mm)
BSO-M3X12
2.0" (40mm)
2.75" (70mm)
B
B B
A
B
A
5.2" (132mm)
.12"
(⌀3mm)
.31"
(⌀8mm)
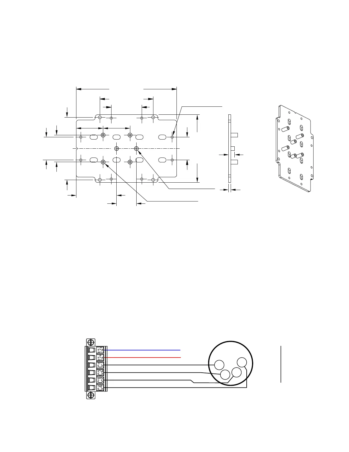
CAMERA CONTROL PINOUT WIRING DIAGRAM
6pin Green Phoenix Plug 4pin Male XLR Connector
1
2
3
4
C4
C3
C2
C1
+12
+12V
-12V
-12
CAMERA WIRING
The xture is prewired to allow simple power and data integration. Connections will dier per
camera model, refer to the camera or follow spot tracking systems documentation for details.
Control Wiring:
• IP65 BNC for HD-SDI
• IP65 RJ45 for Gigabit Ethernet. The xture provides 15W POE Power (IEEE 802.3af) inside
the camera chassis.
• Phoenix Connector for 12V DC Power, camera RS422 or RS485 control
• IP65 XLR 4pin for Camera Control Input
Bekijk gratis de handleiding van Elation PROTEUS BRUTUS FS, stel vragen en lees de antwoorden op veelvoorkomende problemen, of gebruik onze assistent om sneller informatie in de handleiding te vinden of uitleg te krijgen over specifieke functies.
Productinformatie
| Merk | Elation |
| Model | PROTEUS BRUTUS FS |
| Categorie | Verlichting |
| Taal | Nederlands |
| Grootte | 10372 MB |






