Elation Platinum Beam 5R handleiding
Handleiding
Je bekijkt pagina 10 van 27

8
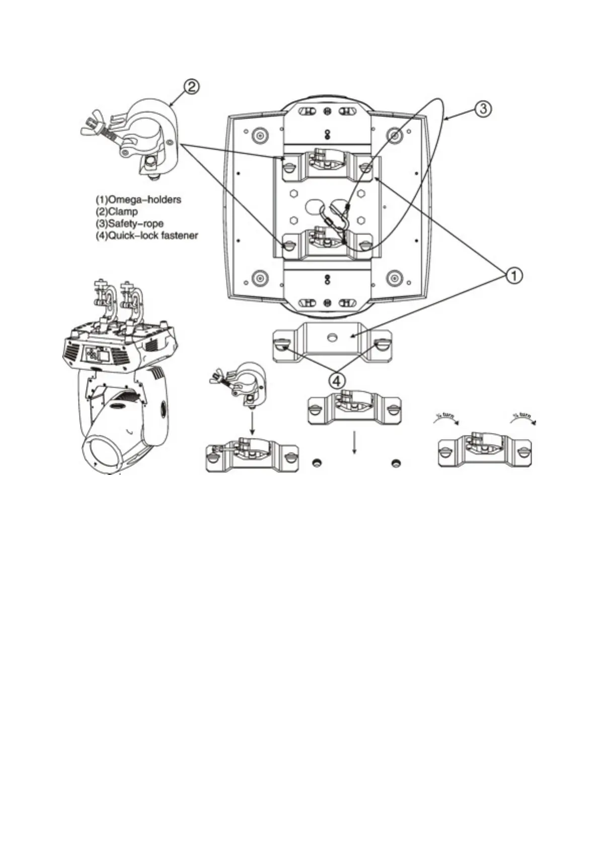
Installation via the Omega holders
a) Fixed the clamp on the bracket by tighten up the M12 screw on the bracket to the Ф13 hole in
the middle of the bracket.
b) Insert the quick-lock fasteners of the first Omega holder into the respective holes on the
bottom of the device. Tighten the quick-lock fasteners fully clockwise.
c) Install the second Omega holder.
d) Pull the safety-rope through the holes on the bottom of the base and over the trussing system
or a safe fixation spot. Insert the end in the carabine and tighten the safety screw.
Notice: this step is quite important to ensure that the fixture will not drop out by the
damage of the clamp.
DMX-512 control connection
Connect the provided XLR cable to the female 3-pin XLR output of your controller and the other
side to the male 3-pin XLR input of the moving head. You can chain multiple
Moving head together through serial linking. The cable needed should be two core, screened
cable with XLR input and output connectors. Please refer to the diagram below.
XM485-V1.0-NR
Bekijk gratis de handleiding van Elation Platinum Beam 5R, stel vragen en lees de antwoorden op veelvoorkomende problemen, of gebruik onze assistent om sneller informatie in de handleiding te vinden of uitleg te krijgen over specifieke functies.
Productinformatie
| Merk | Elation |
| Model | Platinum Beam 5R |
| Categorie | Verlichting |
| Taal | Nederlands |
| Grootte | 4525 MB |






