Elation Focus Spot 250R handleiding
Handleiding
Je bekijkt pagina 14 van 48

Focus Spot 250R™
©Elation Professional® 14 Focus Spot 250R™
installation. Never use the carrying handles for secondary attachment.
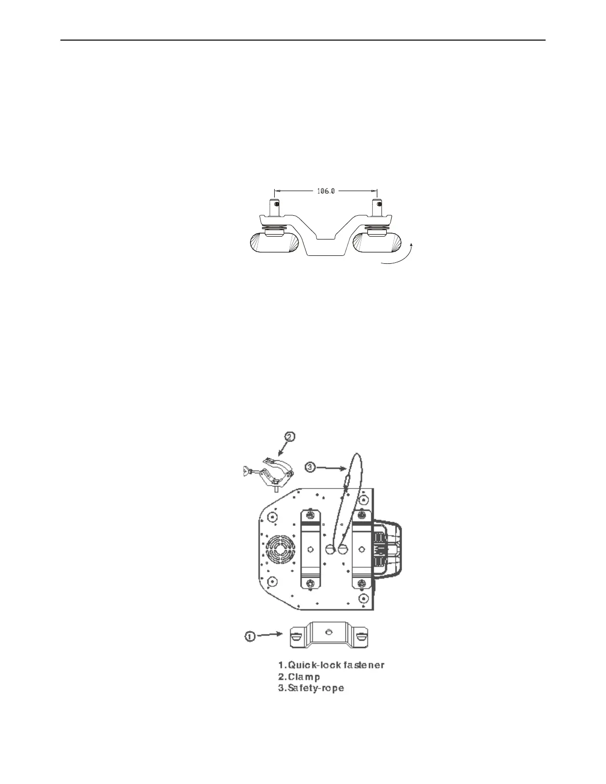
a) Cam lock System: This system allows a quick and efficient means to
secure a clamp to the unit. To secure a clamp to the unit, attach a clamp
that is rated to handle the weight of the unit to your cam lock. After a clamp
has been attached to the cam lock, attach the cam lock to the designated
position on the bottom of your unit. Lock the cam lock into position by
turning the wing nuts 90°.
90°
b) Be sure to always use two cam locks mounted to the bottom of unit to
ensure safe truss mounting.
Secure the FOCUS SPOT 250R™
Regardless of the rigging option you choose for your FOCUS SPOT 250R™ always
be sure to secure your fixture with a safety cable. The fixture provides a built-in
rigging point for a safety cable on the underside of the fixture, be sure to use this
point and never secure a safety cable to a carrying handle.
Bekijk gratis de handleiding van Elation Focus Spot 250R, stel vragen en lees de antwoorden op veelvoorkomende problemen, of gebruik onze assistent om sneller informatie in de handleiding te vinden of uitleg te krijgen over specifieke functies.
Productinformatie
| Merk | Elation |
| Model | Focus Spot 250R |
| Categorie | Verlichting |
| Taal | Nederlands |
| Grootte | 4720 MB |






