Elation E Spot III handleiding
Handleiding
Je bekijkt pagina 27 van 28

27
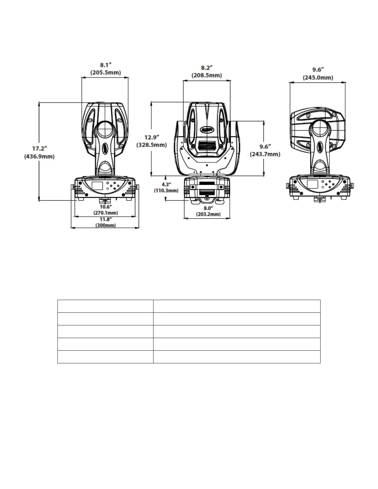
DIMENSIONAL DRAWINGS
Please Note: Specifications and improvements in the design of this unit and this manual are subject to change without any prior written notice.
OPTIONAL ACCESSORIES
ORDER CODE
ITEM
TRIGGER CLAMP
Heavy Duty Wrap Around Hook Style Clamp
AC3PDMX5PRO
5 ft. (1.5m) 3pin PRO DMX Cable
AC5PDMX5PRO
5 ft. (1.5m) 5pin PRO DMX Cable
Additional Cable Lengths Available
Bekijk gratis de handleiding van Elation E Spot III, stel vragen en lees de antwoorden op veelvoorkomende problemen, of gebruik onze assistent om sneller informatie in de handleiding te vinden of uitleg te krijgen over specifieke functies.
Productinformatie
| Merk | Elation |
| Model | E Spot III |
| Categorie | Verlichting |
| Taal | Nederlands |
| Grootte | 4388 MB |






