Elation Design Wash LED Pro handleiding

52 pagina's
PDF beschikbaar

Handleiding

Je bekijkt pagina 45 van 52
Design Wash LED Pro
©Elation Professional, Los Angeles Ca. 45 www.ElationLighting.com
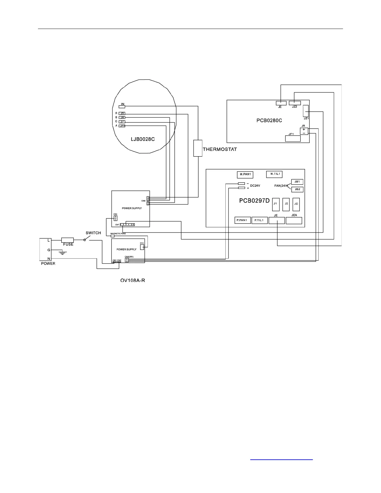
18. CIRCUIT SCHEMATICS

Bekijk gratis de handleiding van Elation Design Wash LED Pro, stel vragen en lees de antwoorden op veelvoorkomende problemen, of gebruik onze assistent om sneller informatie in de handleiding te vinden of uitleg te krijgen over specifieke functies.

Productinformatie

MerkElation
ModelDesign Wash LED Pro
CategorieVerlichting
TaalNederlands
Grootte5017 MB