Elation Design Wash LED Pro handleiding
Handleiding
Je bekijkt pagina 14 van 52

Design Wash LED Pro™
©Elation Professional, Los Angeles Ca. 14 www.ElationLighting.com
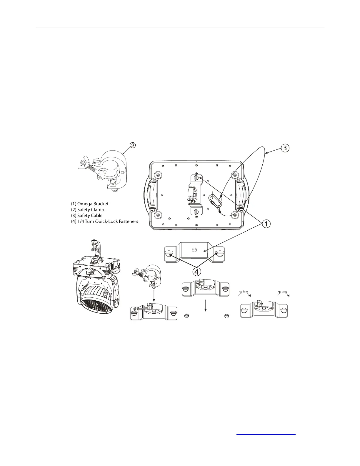
Clamp Mounting
The Design Wash LED Pro
™
provides a unique mounting bracket assembly that integrates
the bottom of the base, the included “Omega Bracket,” and the safety cable rigging point in
one unit (see the illustration below). When mounting this fixture to truss be sure to secure an
appropriately rated clamp to the included omega bracket using a M10 screw fitted through
the center hole of the “omega bracket”. As an added safety measure be sure to attached at
least one properly rated safety cable to the fixture using the safety cable rigging point
integrated in the base assembly
Securing the Design Wash LED Pro
™
Regardless of the rigging option you choose for your Design Wash LED Pro
™
always be
sure to secure your fixture with a safety cable. The fixture provides a built-in rigging point for
a safety cable on the hanging bracket as illustrated above. Be sure to only use the
designated rigging point for the safety cable and never secure a safety cable to a carrying
handle.
Bekijk gratis de handleiding van Elation Design Wash LED Pro, stel vragen en lees de antwoorden op veelvoorkomende problemen, of gebruik onze assistent om sneller informatie in de handleiding te vinden of uitleg te krijgen over specifieke functies.
Productinformatie
| Merk | Elation |
| Model | Design Wash LED Pro |
| Categorie | Verlichting |
| Taal | Nederlands |
| Grootte | 5017 MB |






