Elation Design Spot 1400E handleiding
Handleiding
Je bekijkt pagina 16 van 68

Design Spot 1400E™
©Elation Professional® 16 Design Spot 1400E™
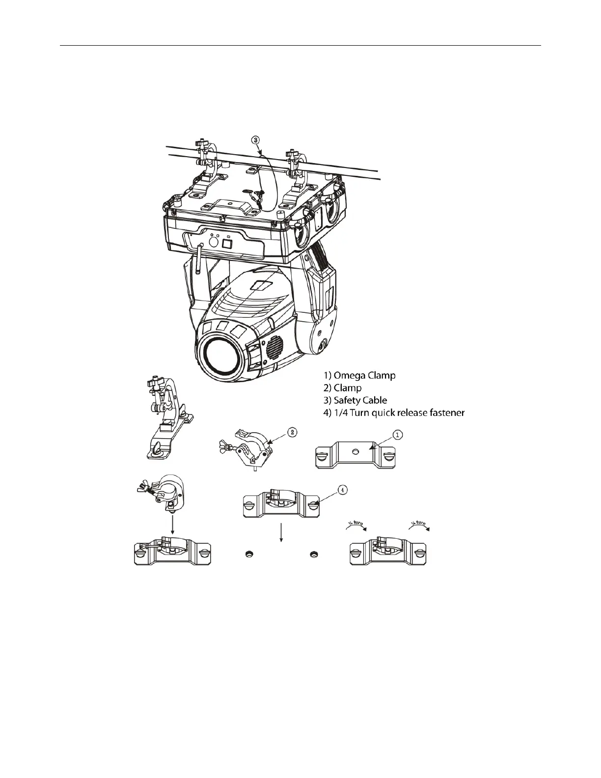
yoke. As an added safety measure be sure to attached at least one properly rated safety
cable to the fixture using on of the safety cable rigging point integrated in the bracket
assembly
Securing the Design Spot 1400E™
Regardless of the rigging option you choose for your Design Spot 1400E™ always be sure
to secure your fixture with a safety cable. The fixture provides a built-in rigging point for a
safety cable on the hanging bracket as illustrated above. Be sure to only use the designated
rigging point for the safety cable and never secure a safety cable to a carrying handle.
Bekijk gratis de handleiding van Elation Design Spot 1400E, stel vragen en lees de antwoorden op veelvoorkomende problemen, of gebruik onze assistent om sneller informatie in de handleiding te vinden of uitleg te krijgen over specifieke functies.
Productinformatie
| Merk | Elation |
| Model | Design Spot 1400E |
| Categorie | Verlichting |
| Taal | Nederlands |
| Grootte | 6802 MB |






