Elation Design LED 60 TriStrip handleiding

44 pagina's
PDF beschikbaar

Handleiding

Je bekijkt pagina 40 van 44
Design LED 60 TriStrip™
©Elation Professional, Los Angeles Ca. 39 www.ElationLighting.com
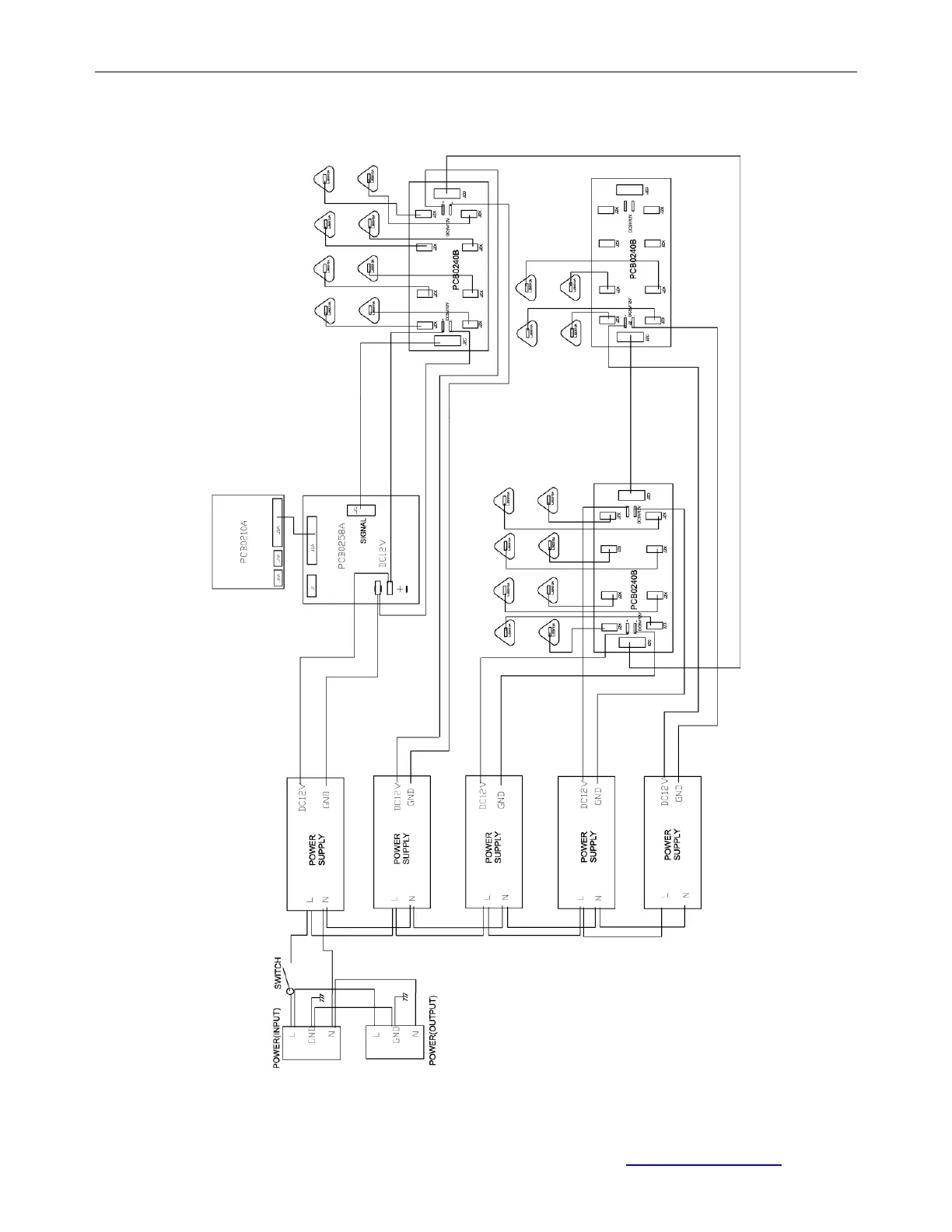
16. CIRCUIT SCHEMATIC

Bekijk gratis de handleiding van Elation Design LED 60 TriStrip, stel vragen en lees de antwoorden op veelvoorkomende problemen, of gebruik onze assistent om sneller informatie in de handleiding te vinden of uitleg te krijgen over specifieke functies.

Productinformatie

MerkElation
ModelDesign LED 60 TriStrip
CategorieVerlichting
TaalNederlands
Grootte3988 MB