Elation Design LED 36WA handleiding

33 pagina's
PDF beschikbaar

Handleiding

Je bekijkt pagina 29 van 33
DESIGN LED 36WA™
©Elation Professional, Los Angeles Ca. 28 www.ElationLighting.com
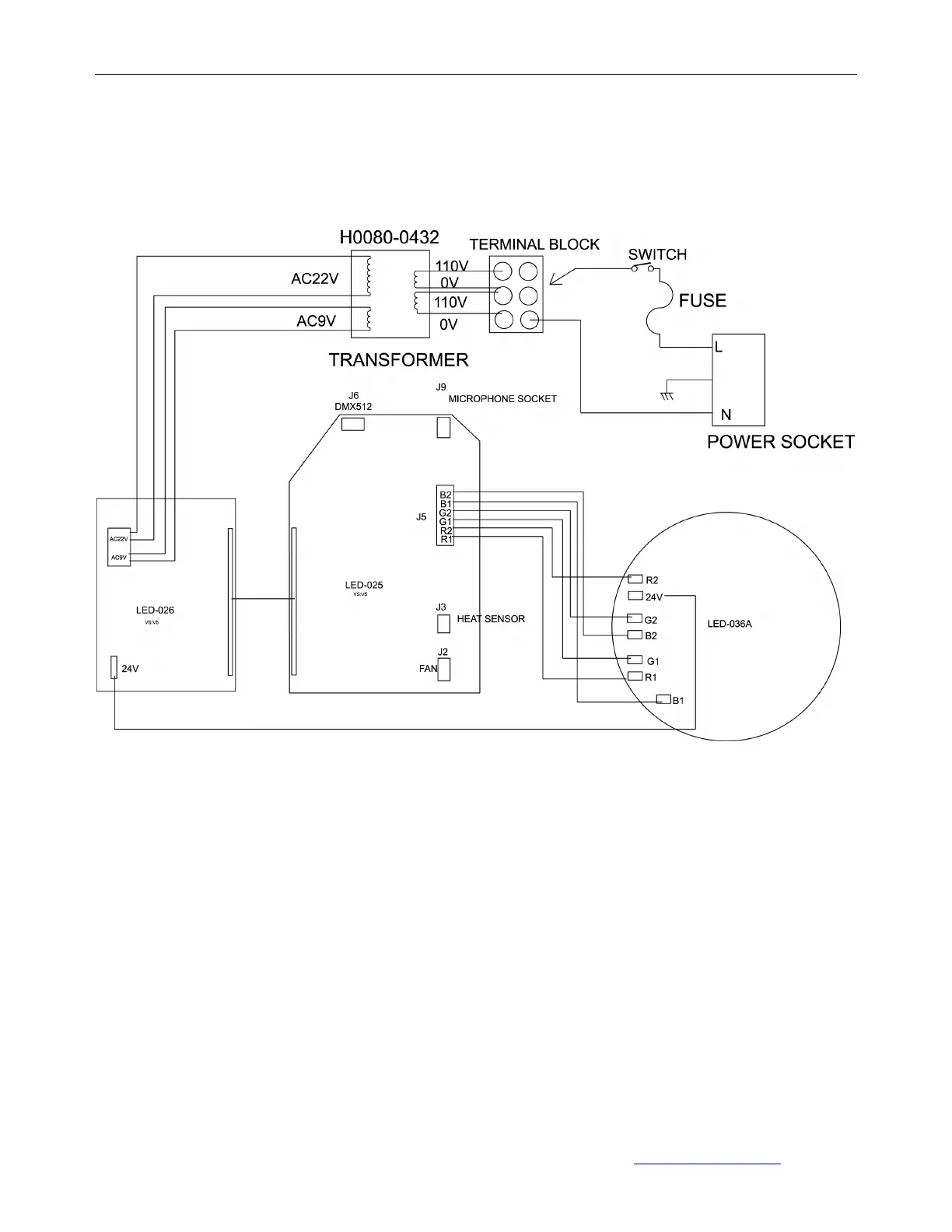
14. CIRCUIT SCHEMATIC

Bekijk gratis de handleiding van Elation Design LED 36WA, stel vragen en lees de antwoorden op veelvoorkomende problemen, of gebruik onze assistent om sneller informatie in de handleiding te vinden of uitleg te krijgen over specifieke functies.

Productinformatie

MerkElation
ModelDesign LED 36WA
CategorieVerlichting
TaalNederlands
Grootte3844 MB