Ekko ES60E handleiding

65 pagina's
PDF beschikbaar

Handleiding

Je bekijkt pagina 60 van 65
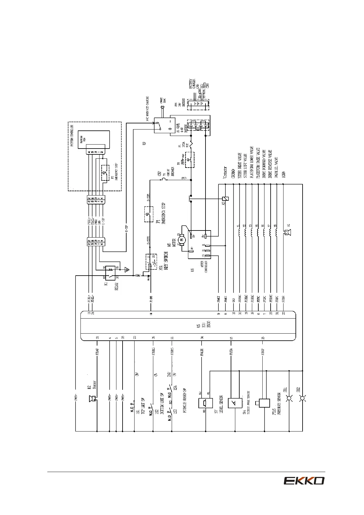
Electrical Schematic Diagram
58
ES60E,ES80E,ES100E,ES120E

Bekijk gratis de handleiding van Ekko ES60E, stel vragen en lees de antwoorden op veelvoorkomende problemen, of gebruik onze assistent om sneller informatie in de handleiding te vinden of uitleg te krijgen over specifieke functies.

Productinformatie

MerkEkko
ModelES60E
CategorieNiet gecategoriseerd
TaalNederlands
Grootte8709 MB