Ekko ES100E handleiding

65 pagina's
PDF beschikbaar

Handleiding

Je bekijkt pagina 61 van 65
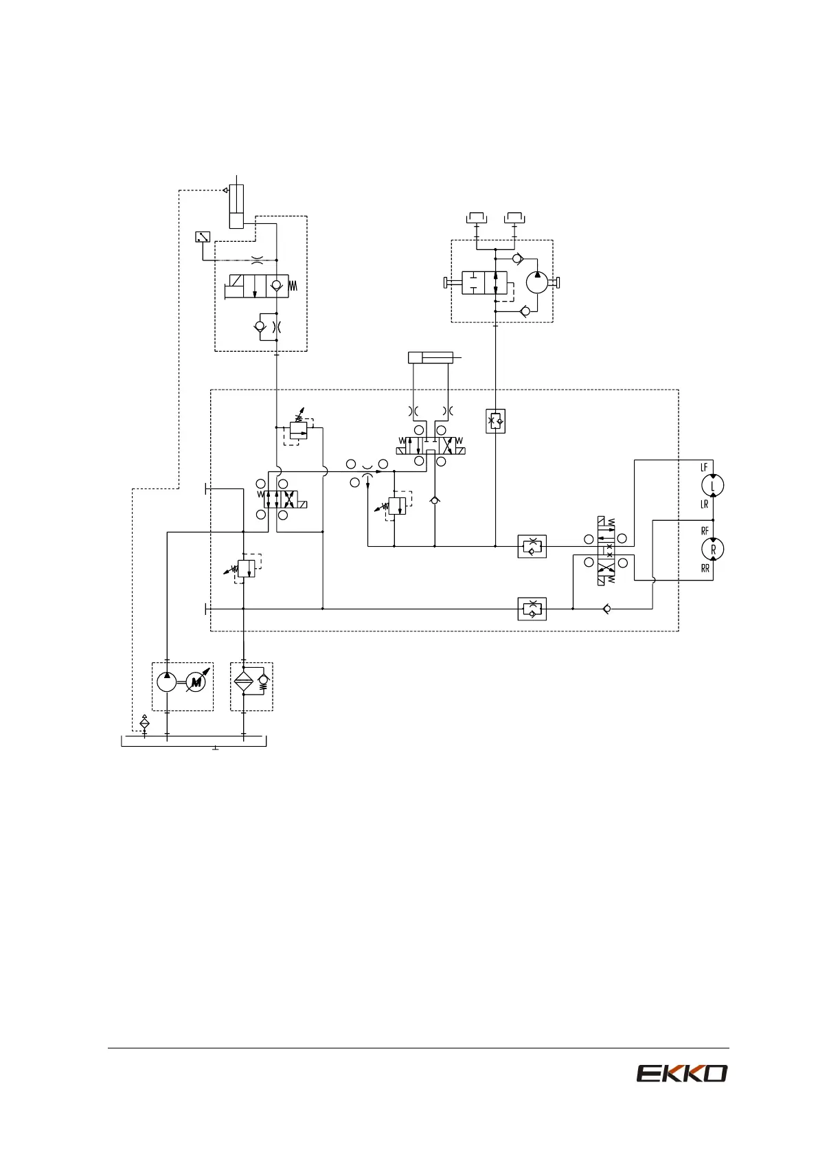
Hydraulic Schematic Diagram
59
ES60E
Y2Y2
L
A
R
SAE
R
L
B1B1
28-35bar28-35bar
11.2L/min11.2L/min
2950rpm2950rpm
1010μm
1.5bar1.5bar
4cc4cc
T1T1
P
M
2
3
1
BRBR
CSECSE
BSBS
ASAS
3
1
2
4
241bar
207bar
109bar
2.5L/Min
3
1
2
4
1
3
8
2
7
4
6-1
? 1
11
B2B2
B1B1
3
1
2
4
6-2
T
C

Bekijk gratis de handleiding van Ekko ES100E, stel vragen en lees de antwoorden op veelvoorkomende problemen, of gebruik onze assistent om sneller informatie in de handleiding te vinden of uitleg te krijgen over specifieke functies.

Productinformatie

MerkEkko
ModelES100E
CategorieNiet gecategoriseerd
TaalNederlands
Grootte8709 MB