Ekko ES100E handleiding

65 pagina's
PDF beschikbaar

Handleiding

Je bekijkt pagina 59 van 65
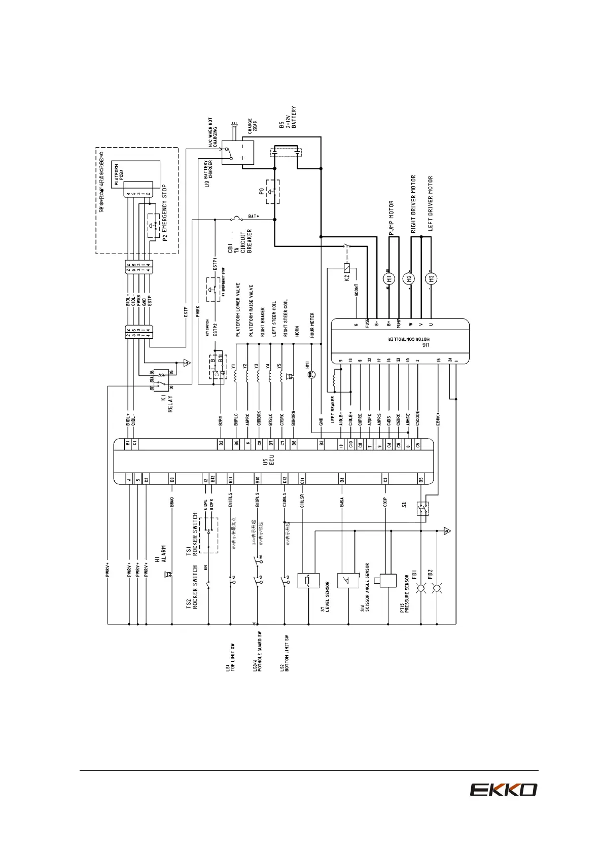
Electrical Schematic Diagram
57
ES40E

Bekijk gratis de handleiding van Ekko ES100E, stel vragen en lees de antwoorden op veelvoorkomende problemen, of gebruik onze assistent om sneller informatie in de handleiding te vinden of uitleg te krijgen over specifieke functies.

Productinformatie

MerkEkko
ModelES100E
CategorieNiet gecategoriseerd
TaalNederlands
Grootte8709 MB