Ekko ER15L handleiding

31 pagina's
PDF beschikbaar

Handleiding

Je bekijkt pagina 30 van 31
25
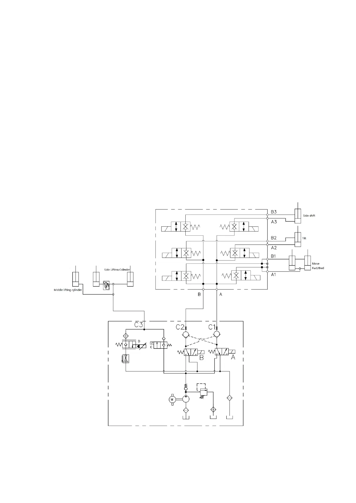
14.2 Triple mast Hydraulic Schematic diagram

Bekijk gratis de handleiding van Ekko ER15L, stel vragen en lees de antwoorden op veelvoorkomende problemen, of gebruik onze assistent om sneller informatie in de handleiding te vinden of uitleg te krijgen over specifieke functies.

Productinformatie

MerkEkko
ModelER15L
CategorieNiet gecategoriseerd
TaalNederlands
Grootte4589 MB