Ekko EP25E handleiding
Handleiding
Je bekijkt pagina 8 van 23

- 8 -
- 8 -
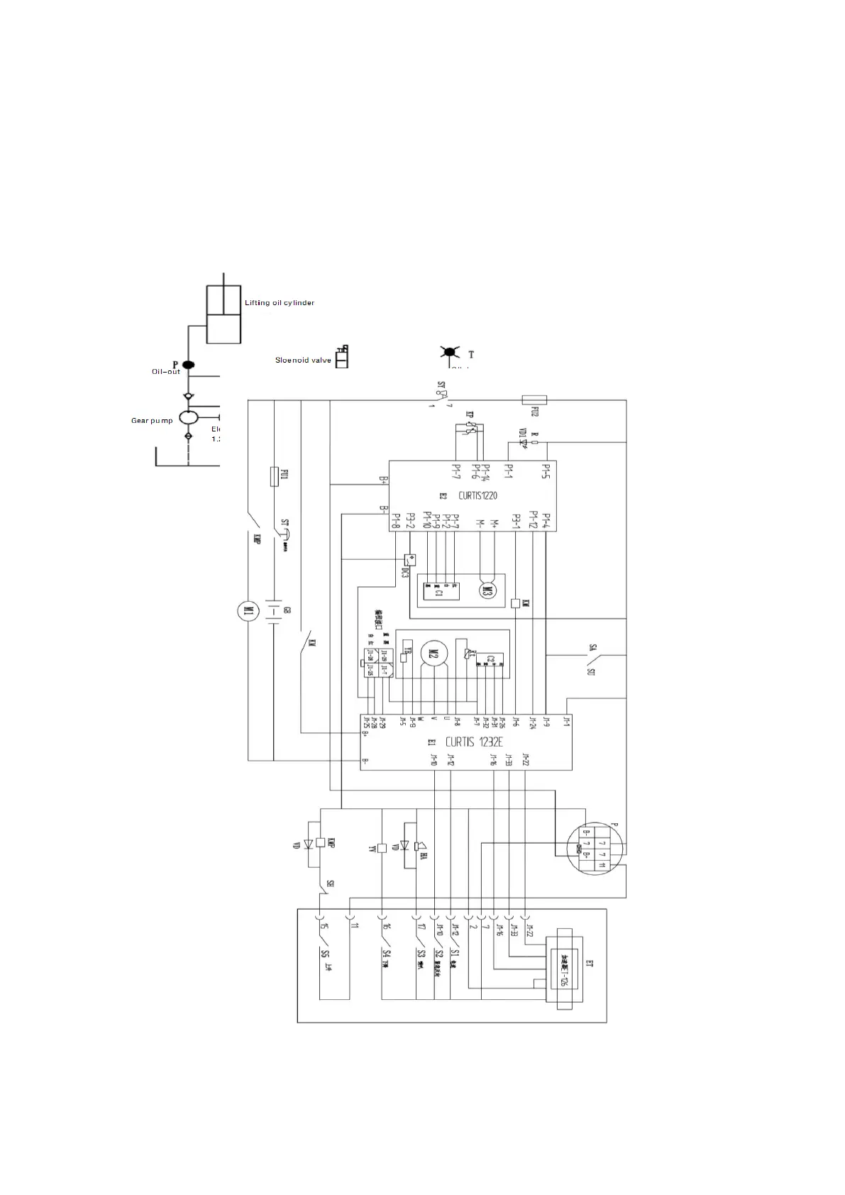
Lifting action is controlled by single-acting oil way which on the valve block. This
model of the hydraulic system pressure are tested before they go out, not my
company after-sales personnel or professional maintenance personnel are strictly
forbidden to adjust themselves, so as to avoid safety accident.
Hydraulic scheme
Bekijk gratis de handleiding van Ekko EP25E, stel vragen en lees de antwoorden op veelvoorkomende problemen, of gebruik onze assistent om sneller informatie in de handleiding te vinden of uitleg te krijgen over specifieke functies.
Productinformatie
| Merk | Ekko |
| Model | EP25E |
| Categorie | Niet gecategoriseerd |
| Taal | Nederlands |
| Grootte | 2931 MB |







