Ekko EK07S handleiding

22 pagina's
PDF beschikbaar

Handleiding

Je bekijkt pagina 8 van 22
- 7 -
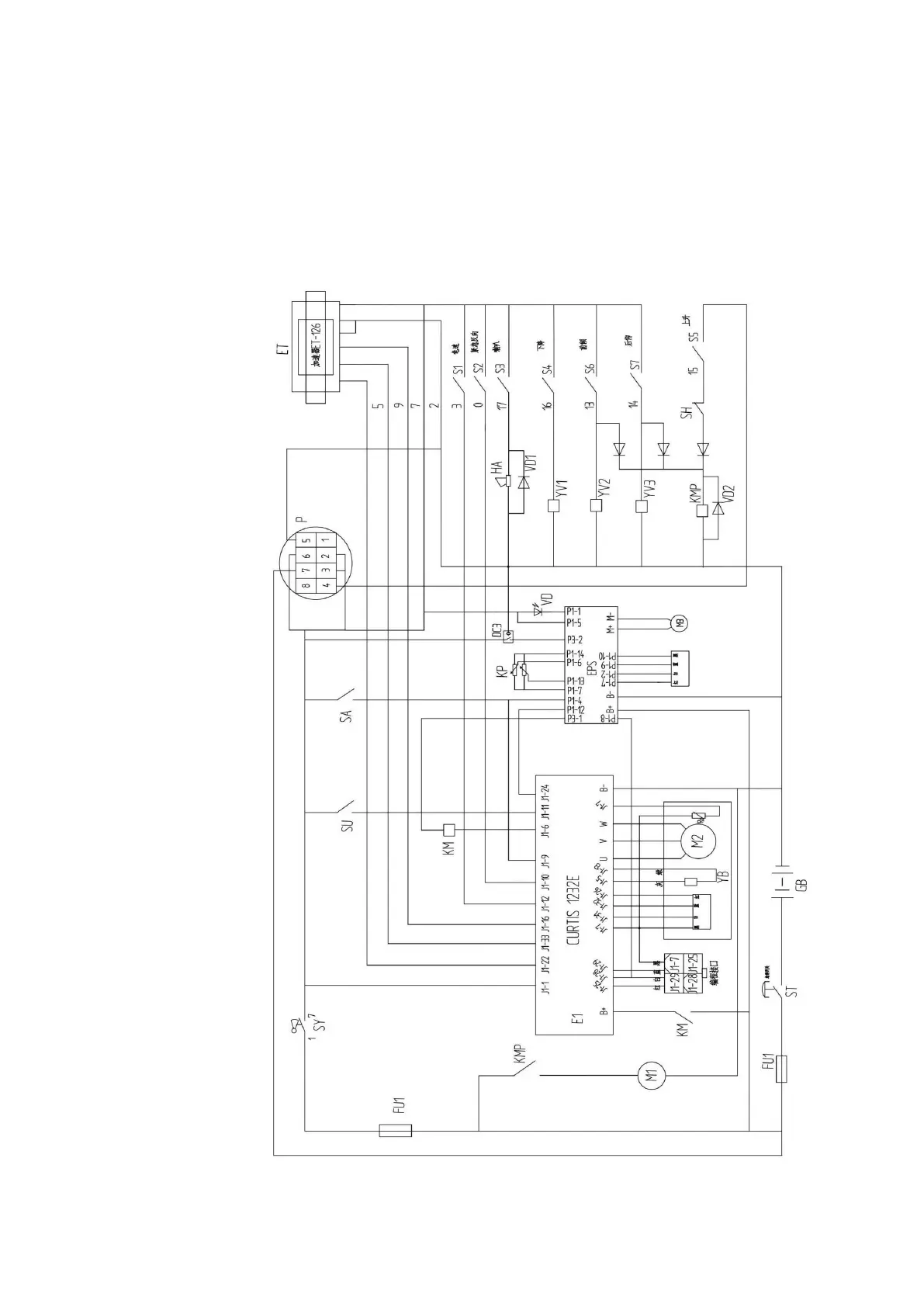
Electrical principle chart
2.4 Hydraulic Principle
The oil pump motor driving gear pump, it provides hydraulic powertwo
lifting cylinders are responsible for lifting the fork. Lifting oil way is controlled

Bekijk gratis de handleiding van Ekko EK07S, stel vragen en lees de antwoorden op veelvoorkomende problemen, of gebruik onze assistent om sneller informatie in de handleiding te vinden of uitleg te krijgen over specifieke functies.

Productinformatie

MerkEkko
ModelEK07S
CategorieNiet gecategoriseerd
TaalNederlands
Grootte2446 MB