Ekko EB20E handleiding
Handleiding
Je bekijkt pagina 12 van 25

11
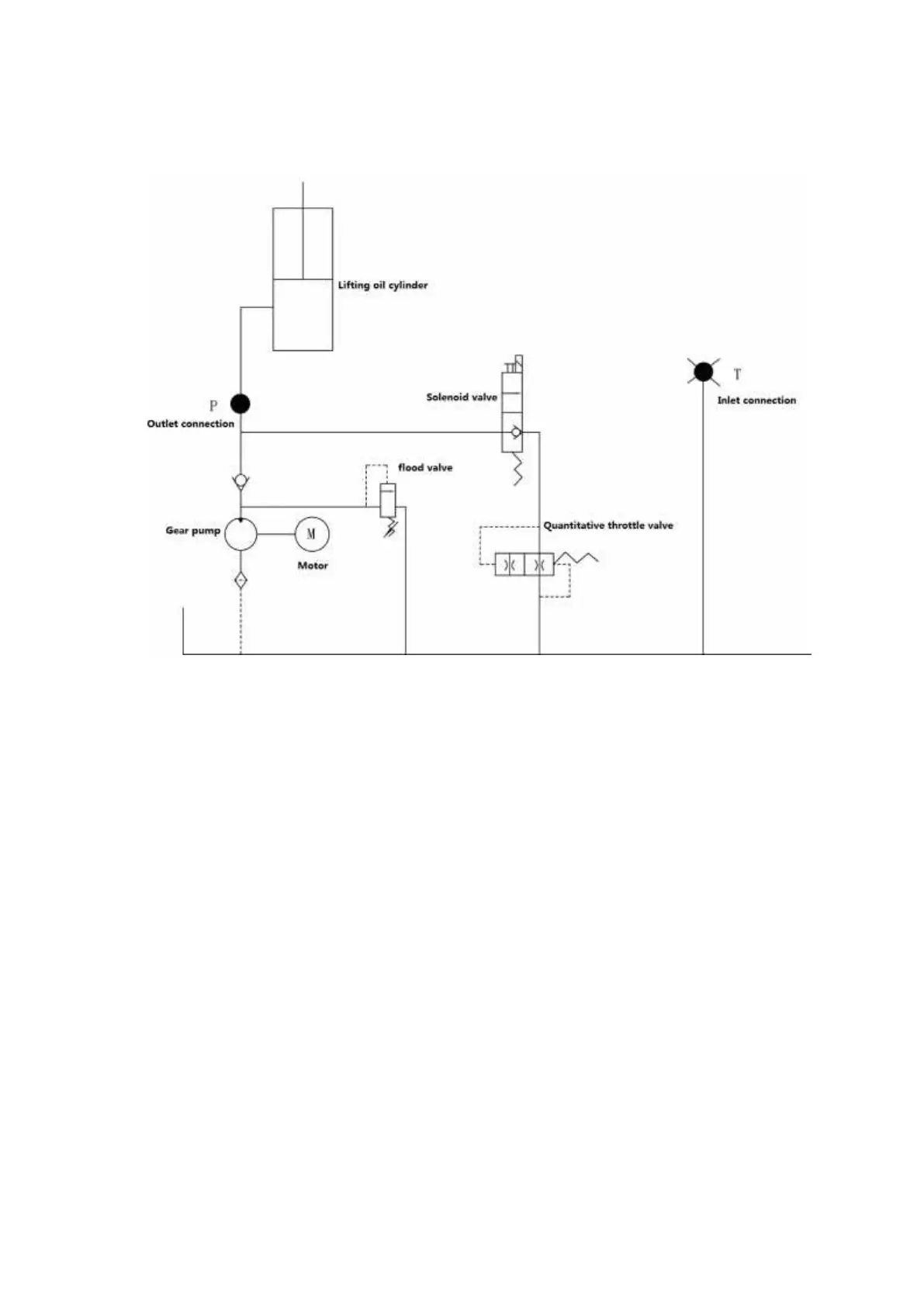
7.Hydraulic Principle Diagram
8.operating instruction
Before operation, please be familiar with the function of each switch/button on the instrument panel.
8.1 Start, run and parking:
1).Insert the key into the key switch, turn to the right, pull the emergency power safety switch up, open the control
circuit.
Bekijk gratis de handleiding van Ekko EB20E, stel vragen en lees de antwoorden op veelvoorkomende problemen, of gebruik onze assistent om sneller informatie in de handleiding te vinden of uitleg te krijgen over specifieke functies.
Productinformatie
| Merk | Ekko |
| Model | EB20E |
| Categorie | Niet gecategoriseerd |
| Taal | Nederlands |
| Grootte | 3725 MB |







