Ekko EB16EA handleiding

28 pagina's
PDF beschikbaar

Handleiding

Je bekijkt pagina 26 van 28
27
after-sales service team and let excluded by specially trained service personnel to Repair .
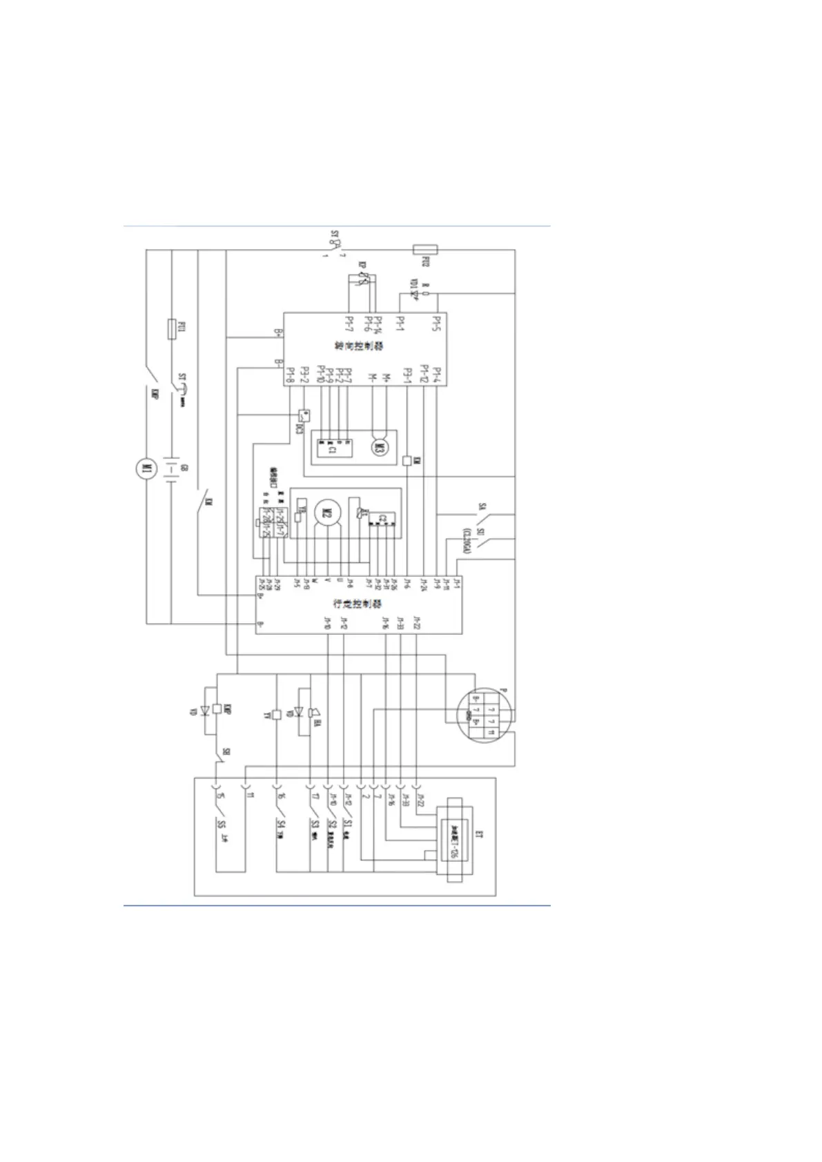
12Electrical Schematic diagram

Bekijk gratis de handleiding van Ekko EB16EA, stel vragen en lees de antwoorden op veelvoorkomende problemen, of gebruik onze assistent om sneller informatie in de handleiding te vinden of uitleg te krijgen over specifieke functies.

Productinformatie

MerkEkko
ModelEB16EA
CategorieNiet gecategoriseerd
TaalNederlands
Grootte4750 MB