Handleiding
Je bekijkt pagina 18 van 28

18
Ventilatie
Attentie:
Het apparaat alleen in goed
geventileerde ruimten gebruiken
(toestel is niet voor gesloten
ruimten geschikt). Het voortdu-
rend aanwezig zijn van personen
in deze ruimten is verboden. Als
meer dan één verwarmingsappa-
raat in een ruimte in gebruik
genomen wordt, moet er voor
dienovereenkomstig meer toevoer
van ventilatielucht gezorgd zijn.
Reparatie
Vóór alle onderhouds- en
reparatiewerkzaamheden altijd
eerst de stekker uit het
stopcontact trekken.
Gasslang van de gasfles
scheiden.
Controleer regelmatig de
gasslang met zijn schroefver-
bindingen op dichtheid. Bij het
vervangen mogen alleen
originele reserveonderdelen of
slangen gebruikt worden.
Slangen alleen volgens DIN
4815 deel 2.
De stand van de ontstekings-
elektrode controleert u zoals in
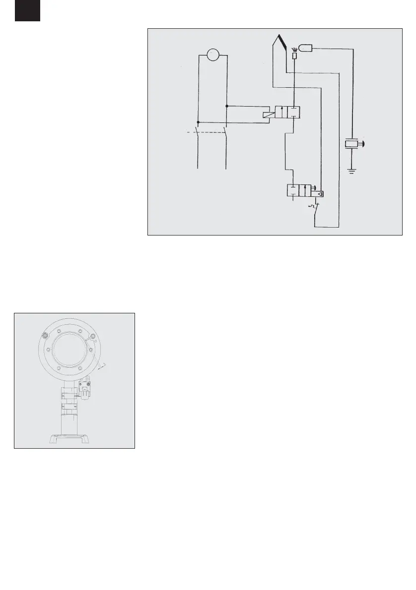
nevenstaande tekening.
Q1 In/Uit-schakelaar
F1 Veiligheidsthermostaat
M1 Ventilatormotor
Y1 Thermo-elektrische
ontstekingsbeveiliging
Y2 Veiligheidsmagneetklep
B1 Thermo-element
B2 Piëzoontsteking
B3 Ontstekingselektrode
B4 Brander
NL
M
M 1
B 1
B 4
B 3
B 2
Y 2
Y 1
F 1
L 1
N1
Q 1
E
v
/W
Bekijk gratis de handleiding van Einhell HGG 120 Niro, stel vragen en lees de antwoorden op veelvoorkomende problemen, of gebruik onze assistent om sneller informatie in de handleiding te vinden of uitleg te krijgen over specifieke functies.
Productinformatie
Merk | Einhell |
Model | HGG 120 Niro |
Categorie | Heater |
Taal | Nederlands |
Grootte | 3186 MB |