Durkopp Adler D888 handleiding
Handleiding
Je bekijkt pagina 250 van 264

Appendix
248 Operating Instructions D888 e-con - 00.0 - 12/2023
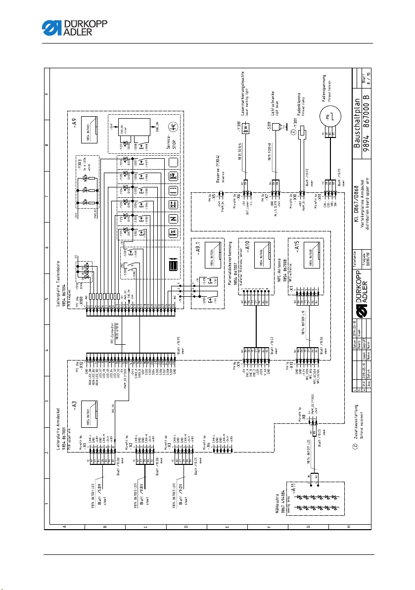
Fig. 119: Wiring diagram
!!
"#
$
%
&
'
(
)*+ +
###
,
,"
,
,#
-
#
. / 0
.
,
,"
,
,
,
-1
##
,
2 0
#
)&$
#
,
,
,
,
,
3456#7
6
84
819:
- 0 +
6
.
8
-++
6
&
2
& 0
+
#
;
'<=
)!)
"
>
1=
&0 " >
?0
#-
+
#-
+
#-
+
"
)
@(
6%
@(
'6
A
')
)
:
3
6%
@(
'6
')
)
:
6%
@(
'6
')
)
:
+
+
$
+
2!&
"
#
2!&
"
#
2!&
"
#
2!&
"
#
:$
9!B
$)-
')
C#
')
$)(
C"#
C#
$)-
')
')
$)(
C"#
C#
$)-
')
')
$)(
C"#
C#
$)-
')
')
$)(
C"#
C#
#-"
@(
)
$
+
#
2!&
"
:@2D"56"7
C"#
%)'D9)
')
3'-%D')
3'-%DA
3'@-%D3
-%D
-%D
-%D
-%D#
-%D
-%D"
C
:@2D567
C"#
8D
8D
8
8"
8
8#
8
8
8
8
8
')
C
%)$D
%)$D
%)$D.
-%
-%"
D
')
')
')
CE
)&$D%)
)&$D>3F
)&$D>"$8
)&$D>"$8-
&&$"
"
#
"
#
"
"
""
"
"#
"
"
:(
"
#
:(
"
#
&
+
$"
+
%
+
@(
)
')
6%
'6
:
A
3
@(
)
')
6%
'6
:
A
&&$$!!
#-
&&$"
"
#
"
#
"
"
""
"
"#
"
"
:$G
8
587
@(
)
')
6%
'6
:
A
3
@(
)
')
6%
'6
:
A
')
C
:@2D
C"#
')
%)'D9)
C
"
#
6
"
"
"
#
57
+!
8
58"7
C
)&$
')
587
8
A
3
')
##
#
#
C
8
587
C
6
8"
58"7
57
6"
8
587
5#7
C"#
:@2D
6
8#
58#7
57
C"#
:@2D#
C
9A1D-
')
>)D-8587
C"#
C#
:@2D
$98C
$98
8>)C
8>)
6#
8
587
5""7
:("
"
2!&
"
:(
"
2!&"
"
2!&#
"
#
&"
+
&
+
4
6
8
587
@(
A
)
6%
93
3
5"7
H-%
?+
6
8
587
5"#7
6
8
587
5"7
#
"#
#
6%
93
3
%)'D9)
00+
%)'D9)
C"#
0+
+
+!
Bekijk gratis de handleiding van Durkopp Adler D888, stel vragen en lees de antwoorden op veelvoorkomende problemen, of gebruik onze assistent om sneller informatie in de handleiding te vinden of uitleg te krijgen over specifieke functies.
Productinformatie
| Merk | Durkopp Adler |
| Model | D888 |
| Categorie | Naaimachine |
| Taal | Nederlands |
| Grootte | 27738 MB |



