Handleiding
Je bekijkt pagina 16 van 20

– 16 –
11. TIPS BEFORE INSTALLATION
Warning!
ONLY use the heater on a solid at surface that is noncombustible (concrete etc). You MUST NOT
use the heater in a non-level surface, as this will affect the combustion efciency and operation.
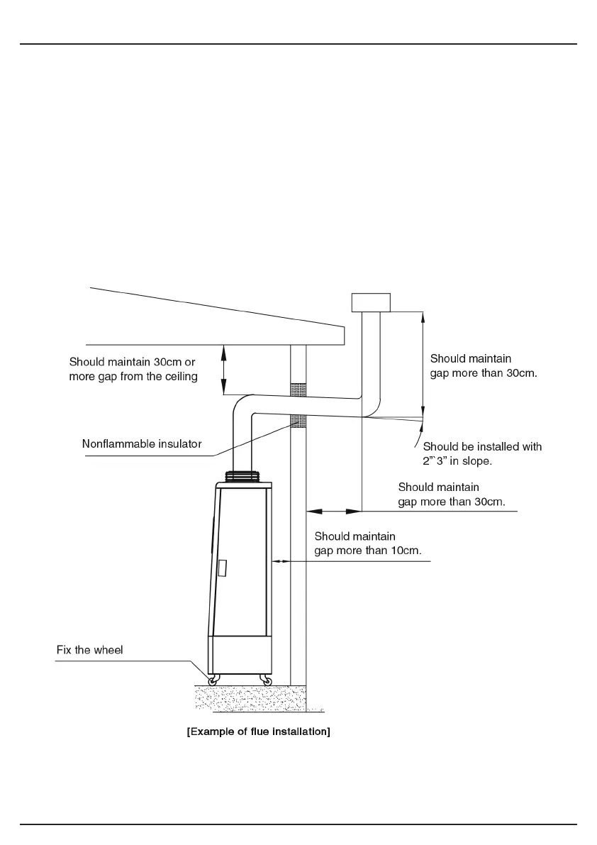
You MUST have suitable space around the heater during its operation – minimum of 1.5 metres on
either side, the front and the top and at least 10cm from the back wall.
If you are using the heater indoors, we would strongly recommend the Draper 07399 ue kit to
ensure the exhaust fumes are routed out of the building safely.
Below is an example of a ue kit attached to the heater – but any ue use MUST be installed and
tested by a suitably qualied professional to ensure safe operation of the heater.
Bekijk gratis de handleiding van Draper 18037, stel vragen en lees de antwoorden op veelvoorkomende problemen, of gebruik onze assistent om sneller informatie in de handleiding te vinden of uitleg te krijgen over specifieke functies.
Productinformatie
Merk | Draper |
Model | 18037 |
Categorie | Heater |
Taal | Nederlands |
Grootte | 1615 MB |