Handleiding
Je bekijkt pagina 17 van 20

17
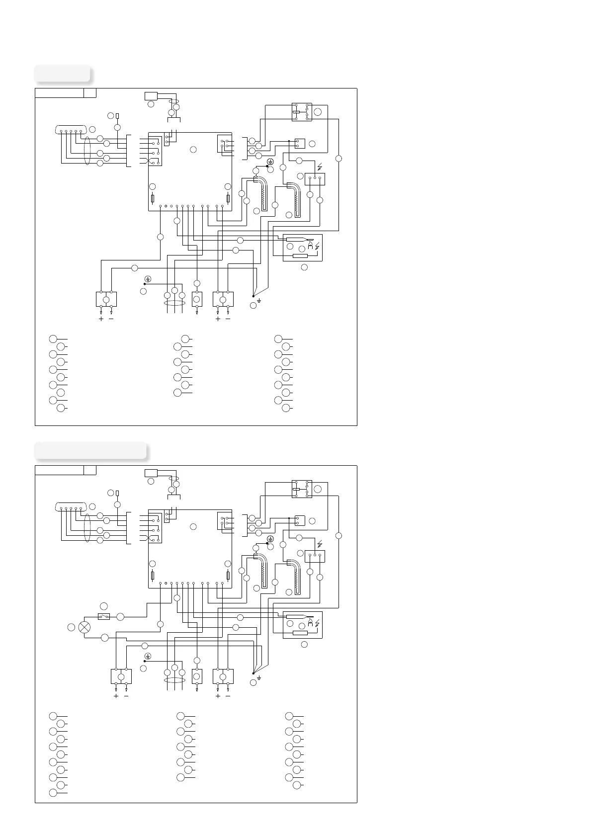
APPENDIx b - WIRING DIAGRAM
RM2355
RM2455/RM2555
385 11 64
P1−1
P1−4
P 2 − 2
L N
3
J
P3−4
P3−3
P3−1
C
D
F
I
U
1
1
8
2
7
6
A
B
C
D
E
F
H
CIRCUIT BOARD POWER
CIRCUIT BOARD DISPLAY
FUSE 3A
N
THERMISTOR
REIGNITER
BURNER HOUSING
T
THERMOCOUPLE
U
I
CHASSIS GROUND
ELECTRODE
PROTECTIVE EARTH
9
8
WHITE
GREY
BLUE
RED
BROWN
BLACK1
2
3
4
5
6
7
J
HEATER 12V DC
−
E
N
A
V
1
P
+
8
1
M
B
4
1
V
RELAY
GREEN
GREEN/YELLOW
YELLOWP
TERMINAL BLOCK
3
M
4
P3−2
9
3 0
H
8 6
T
8 5
8 7
7
7
9
9
P 2 − 1
5
10
3
2
1
P1−5
P1−2
P1−6
P1−3
7
3
F
B A TT
H E AT ER
L A MP
F L AM E
D
G R OU ND
G R OU ND
M A IN S
H E AT ER A C
H E AT ER A C
M A IN S
S
TEST POINT
12V DC
1
HEATER 230,240V AC
10 ORANGE
+
+
O
SOLENOID VALVE
M
6
O
D
9
S
TERMINAL BLOCK
+
L
K
1
3
K
L
SWITCH LAMP
LAMP
TERMINAL BLOCKX
12V DC
X
1
4
385 08 85
P1−1
P1−4
P 2 − 2
L N
3
J
P3−4
P3−3
P3−1
C
D
F
I
U
1
1
8
2
7
6
A
B
C
D
E
F
H
CIRCUIT BOARD POWER
CIRCUIT BOARD DISPLAY
FUSE 3A
N
THERMISTOR
REIGNITERBURNER HOUSING
T
THERMOCOUPLE
U
I
CHASSIS GROUND
ELECTRODE
PROTECTIVE EARTH
9
8
WHITE
GREY
BLUE
RED
BROWN
BLACK1
2
3
4
5
6
7
J
HEATER 12V DC
−
E
N
A
V
1
P
+
8
1
M
B
4
1
VRELAY
GREEN
GREEN/YELLOW
YELLOW
P
TERMINAL BLOCK
3
M
4
P3−2
9
3 0
H
8 6
T
8 5
8 7
7
7
9
9
P 2 − 1
5
10
3
2
1
P1−5
P1−2
P1−6
P1−3
7
3
F
B A TT
H E AT ER
L A MP
F L AM E
D
G R OU ND
G R OU ND
M A IN S
H E AT ER A C
H E AT ER A C
M A IN S
S
TEST POINT
12V DC
1
HEATER 230,240V AC
10 ORANGE
+
+
O
SOLENOID VALVE
M
6
O
D
9
S
TERMINAL BLOCK
+
4
X
TERMINAL BLOCKX
12V DC
1
Bekijk gratis de handleiding van Dometic RM 2555, stel vragen en lees de antwoorden op veelvoorkomende problemen, of gebruik onze assistent om sneller informatie in de handleiding te vinden of uitleg te krijgen over specifieke functies.
Productinformatie
Merk | Dometic |
Model | RM 2555 |
Categorie | Koelkast |
Taal | Nederlands |
Grootte | 5333 MB |