Digi-Pas DWL5500XY handleiding
Handleiding
Je bekijkt pagina 32 van 73

Digi-Pas
®
© 2023 Digipas Technologies Inc. All Rights Reserved.
www.digipas.com
Page 26
DWL-5x000XY DATA SHEET
5.2.2.10. DWL5500XYLibrary.SerialComm.Dual_Y_Alt_Zero_Value
Description: This function reads the alternate zero (Dual Axis) Y
reference value.
Prototype: public static double Dual_y_Alt_Zero_Value(int sen-
sor_number)
Arguments: sensor_number The specic sensor module.
Return Value: Alternate Zero (Dual Axis) Y reference value.
Remarks: DWL5500XYLibrary.SerialComm.Mode_Direct(0x01, 0x0A,
0, 0x6C, 0, 0, 0) needs to call rst before using
this function.
Code Example: DWL5500XYLibrary.SerialComm.Dual_y_Alt_Zero_Value(1);
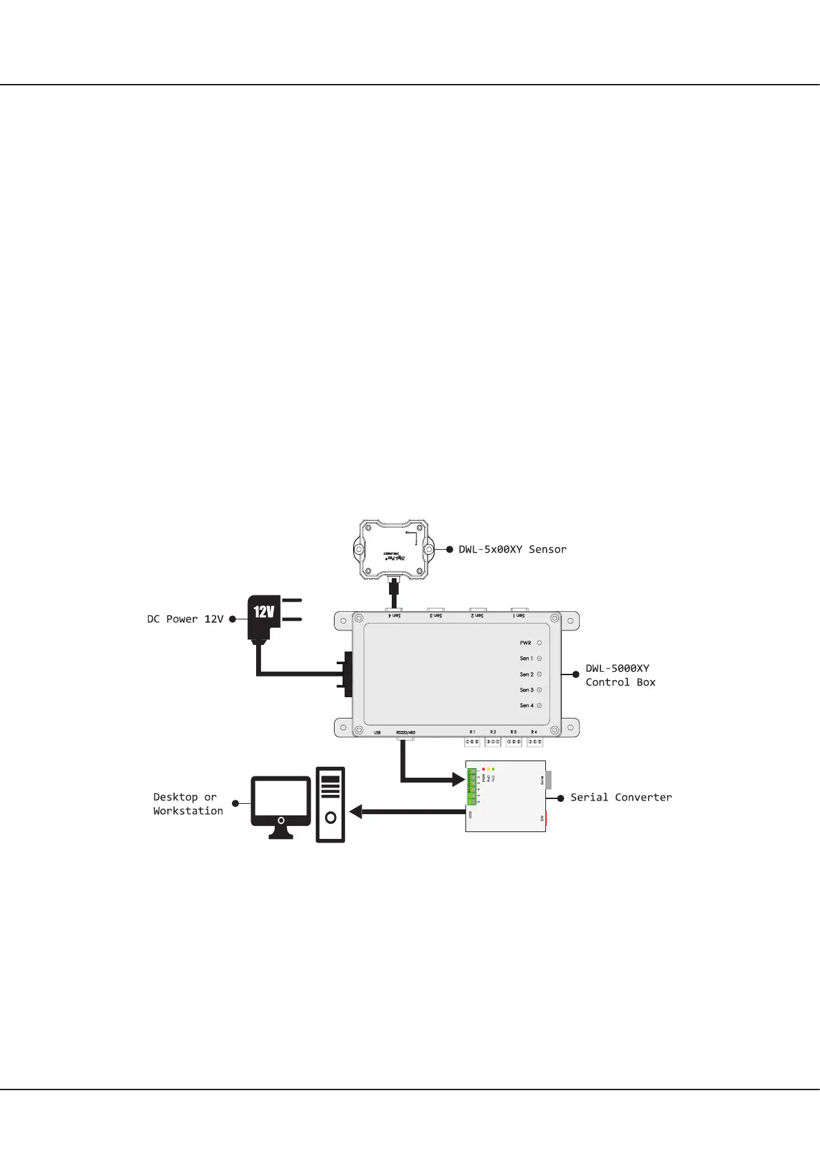
5.3. DLL for Serial Communication Protocol Through Digi-Pas Control Box
This chapter contains Dynamic Link Library functions to congure the serial communication, mode
selection, sensor connection status, and reading the angle / vibro value through the DWL5000
control box.
Figure 34. Connecting sensor through Digi-Pas Control box
5.3.1. Using the DWL5000XY Dynamic Link Library
This function is only for the use of DWL-5000XY Sensor Module with Digi-Pas Control Box.
Bekijk gratis de handleiding van Digi-Pas DWL5500XY, stel vragen en lees de antwoorden op veelvoorkomende problemen, of gebruik onze assistent om sneller informatie in de handleiding te vinden of uitleg te krijgen over specifieke functies.
Productinformatie
| Merk | Digi-Pas |
| Model | DWL5500XY |
| Categorie | Niet gecategoriseerd |
| Taal | Nederlands |
| Grootte | 10950 MB |



