Digi-Pas DWL5500XY handleiding
Handleiding
Je bekijkt pagina 25 van 73

Digi-Pas
®
© 2023 Digipas Technologies Inc. All Rights Reserved.
www.digipas.com
Page 19
DWL-5x000XY DATA SHEET
• Ensure the device front position measurement & back position measurement are align in the
same position with perfect 180° rotation.
• For Dual Axis absolute level offset calculations, the X & Y-Axis require to calculate separately as
the offset value for both axis could be different.
5.2. DLL for Serial Communication Protocol Direct to Sensor
This chapter contains Dynamic Link Library functions to congure the serial communication, mode
selection, sensor connection status, and reading the angle / vibro value direct from the sensor.
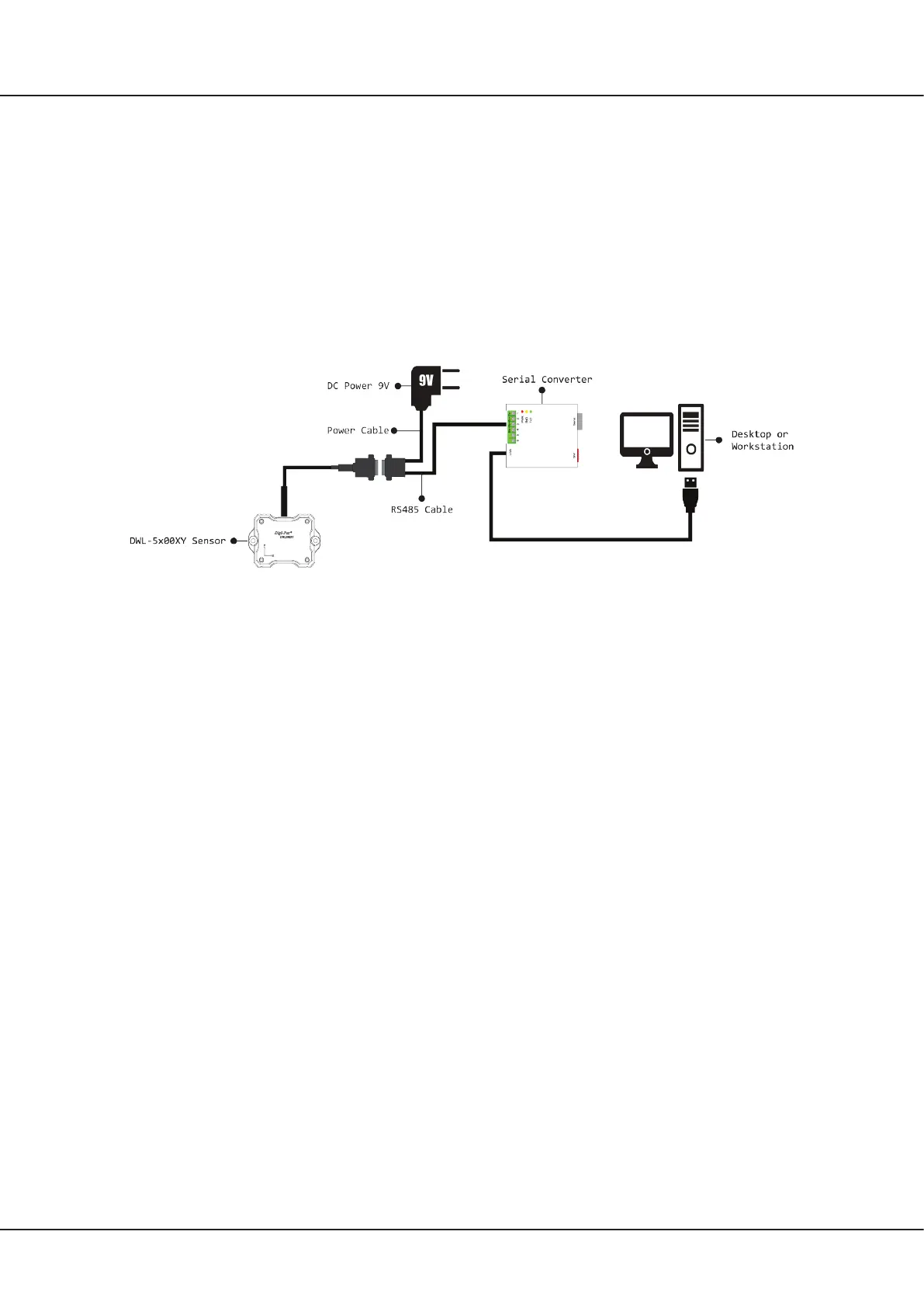
Figure 33. Connecting sensor through Serial Converter
5.2.1. Using the DWL5000XY Dynamic Link Library
This function is only for the use of DWL-5000XY Sensor Module.
5.2.1.1. DWL5000XYLibrary.SerialComm.Serial_Initialization
Description: This function congures and initializes the serial commu-
nication.
public static bool Serial_Initialization(string PortName);
Prototype: PortName The name of the COM Port to be connected with.
Arguments: True - Serial initialization successfully
Return Value: True - Serial initialization successfully
False - Fault occurred during serial initialization
Remarks: This function congures the following parameters:
BaudRate : 115200
Parity : None
DataBits : 8
StopBits : One
FlowControl: None
Code Example: DWL5000XYLibrary.SerialComm.Serial_Initialization(COM15);
Bekijk gratis de handleiding van Digi-Pas DWL5500XY, stel vragen en lees de antwoorden op veelvoorkomende problemen, of gebruik onze assistent om sneller informatie in de handleiding te vinden of uitleg te krijgen over specifieke functies.
Productinformatie
| Merk | Digi-Pas |
| Model | DWL5500XY |
| Categorie | Niet gecategoriseerd |
| Taal | Nederlands |
| Grootte | 10950 MB |



