Digi-Pas DWL5500XY handleiding
Handleiding
Je bekijkt pagina 18 van 73

Digi-Pas
®
© 2023 Digipas Technologies Inc. All Rights Reserved.
www.digipas.com
Page 12
DWL-5x000XY DATA SHEET
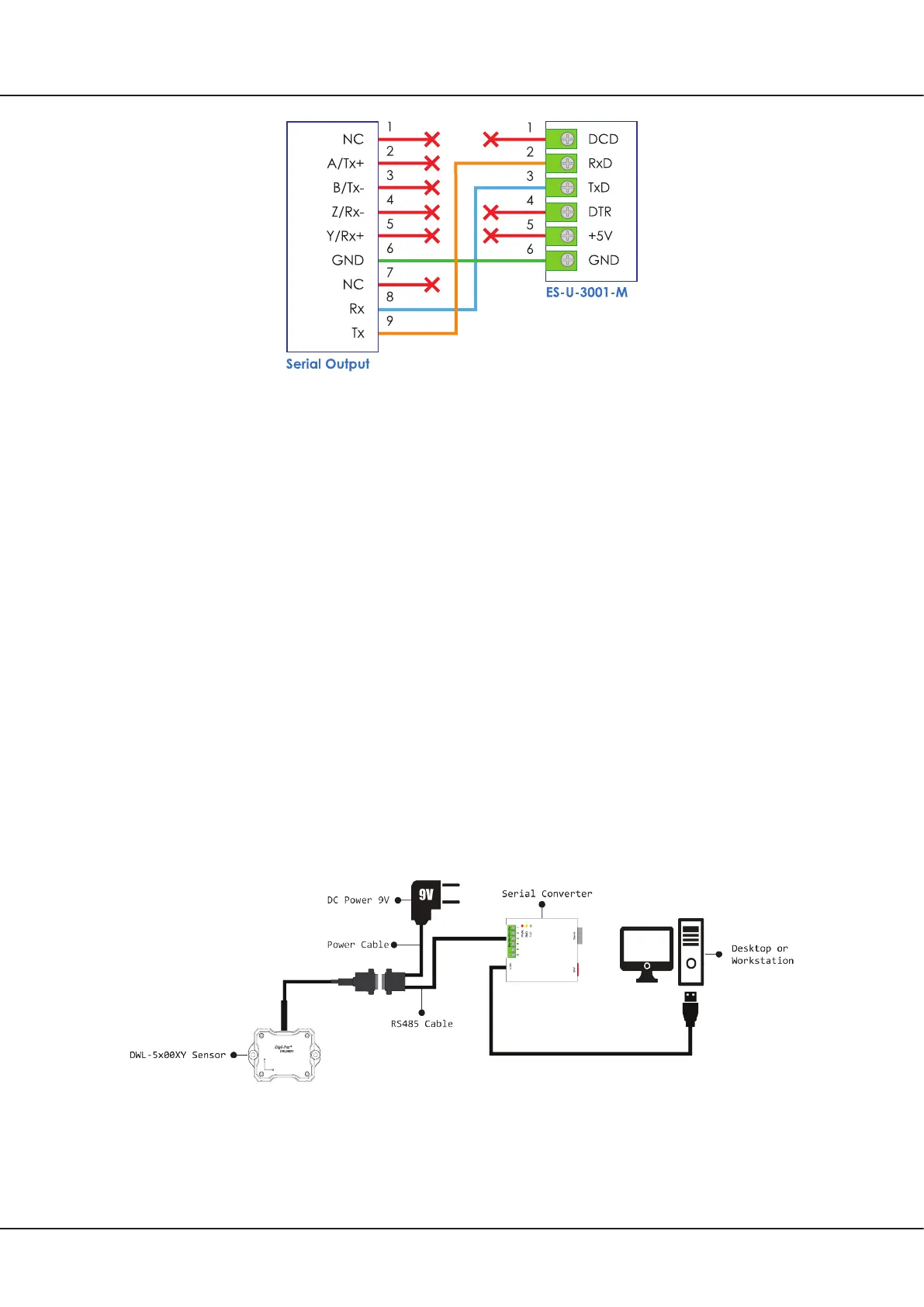
Figure 17. The connection pinout of RS232 Serial Output with ES-U-3001-M converter in RS232 mode
8. The conguration is then completed. The conguration is then completed. Users can
obtain data through PC Sync software please refer to “4. Operation”, using Digi-Pas DLL
refer to “5.2 . DLL for Serial Communication Protocol Through Digi-Pas Control Box” or
direct programming refer to “7. Serial Communication Protocol for Control Box”
3.2. Conguration of Single Tilt Sensor Module without control box
3.2.1. Materials for the Conguration
• 1 × DWL5000XY, DWL5500XY or DWL5800XY tilt sensor module secured with sensor
cord
• 1 × RS485 converter (4 wires). In this example, EasySync Converter (Model num-
ber: ES-U-3001-M) is used
• 1 × 9V DC Power Source
• 1 × custom cable with DB9 (Female) connector
• Computer/Workstation with PC Sync software installed
Figure 18. Diagram for Direct Serial connection without control box using custom cable and ES-U-3001-M converter
Bekijk gratis de handleiding van Digi-Pas DWL5500XY, stel vragen en lees de antwoorden op veelvoorkomende problemen, of gebruik onze assistent om sneller informatie in de handleiding te vinden of uitleg te krijgen over specifieke functies.
Productinformatie
| Merk | Digi-Pas |
| Model | DWL5500XY |
| Categorie | Niet gecategoriseerd |
| Taal | Nederlands |
| Grootte | 10950 MB |



