Deye SUN-M40G4-EU-Q0-I handleiding
Handleiding
Je bekijkt pagina 22 van 33

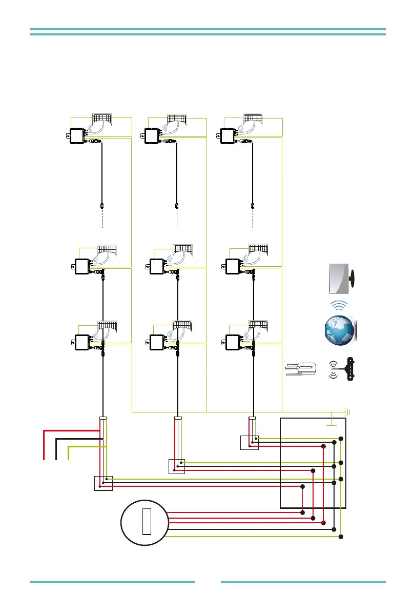
Wiring Diagram
30/35/40/45/50 G4 (1MPPT)
Sample Wiring Diagram Three Phase
Bekijk gratis de handleiding van Deye SUN-M40G4-EU-Q0-I, stel vragen en lees de antwoorden op veelvoorkomende problemen, of gebruik onze assistent om sneller informatie in de handleiding te vinden of uitleg te krijgen over specifieke functies.
Productinformatie
| Merk | Deye |
| Model | SUN-M40G4-EU-Q0-I |
| Categorie | Niet gecategoriseerd |
| Taal | Nederlands |
| Grootte | 3277 MB |







